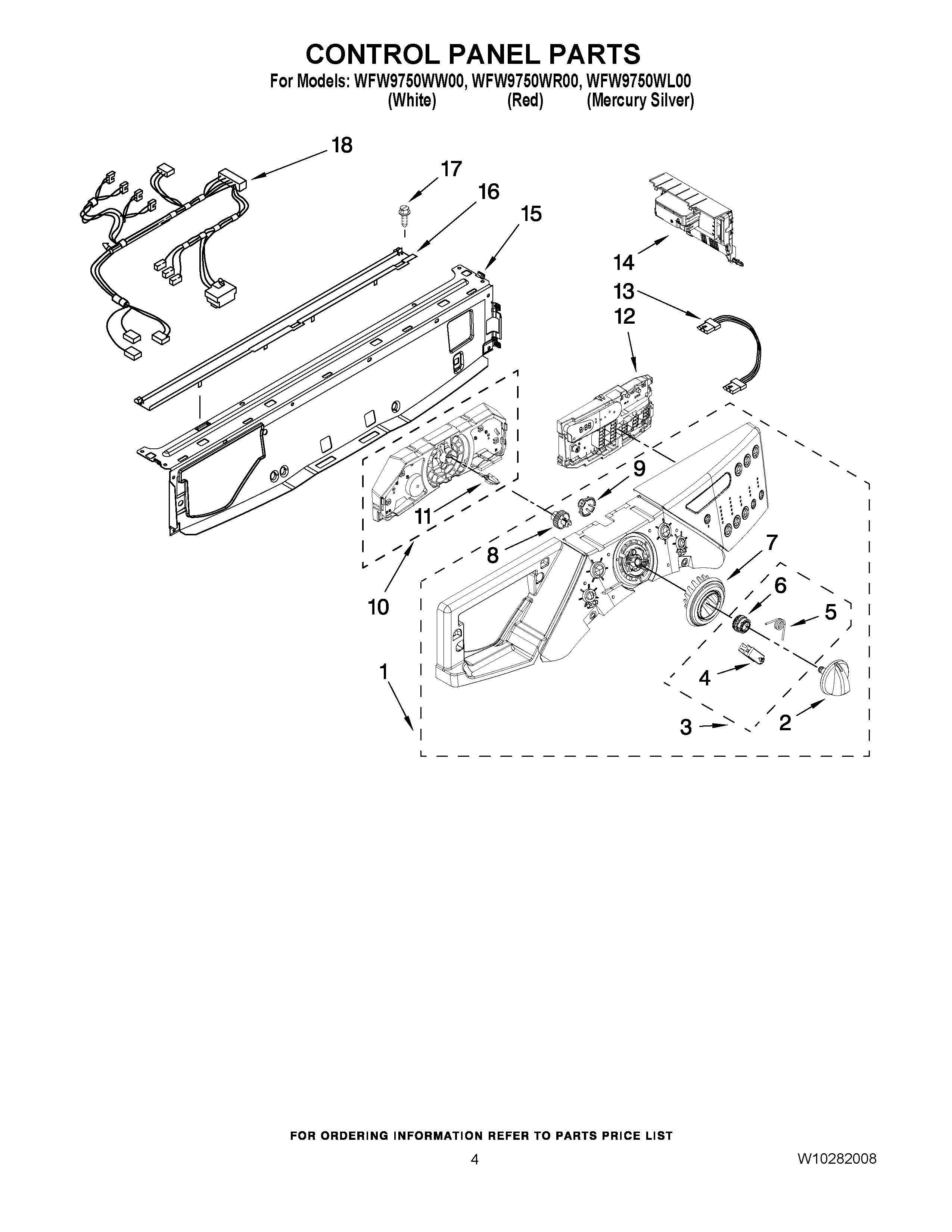
WFW9750WW00 03 – CONTROL PANEL PARTSadmin2025-04-26T11:57:20+00:00WFW9750WW00 03 – CONTROL PANEL PARTS
Products
| Position | Product |
|---|
| 1 | PANEL, CONTROL (MERCURY SILVER) |
| 1 | PANEL, CONTROL (WHITE) |
| 1 | PANEL, CONTROL (RED) |
| 2 | W10190685 Whirlpool Knob Assembly |
| 3 | Wheel, Detent Kit (Includes Item 9) |
| 4 | Wheel, Rast (2) (Service In Kit Only) |
| 5 | Spring, Knob (2) (Service In Kit Only) |
| 6 | Wheel, Detent (Service In Kit Only) |
| 7 | Ring, Knob Light (Includes Item 9) |
| 8 | W10131381 Whirlpool Wheel |
| 9 | Retainer, Snap |
| 10 | USER INTERFACE, CENTER |
| 11 | Adapter, Encoder Wheel |
| 12 | USER INTERFACE, RIGHT |
| 13 | W10852624 Whirlpool Wire Harness |
| 14 | MICROCOMPUTER, MACHINE CONTROL |
| 15 | W10059240 Whirlpool Bracket Assembly |
| 16 | WP8183204 Whirlpool Diverter |
| 17 | WP488729 Whirlpool Refrigerator Door Screw |
| 18 | W10283457 Whirlpool Wire Harness |