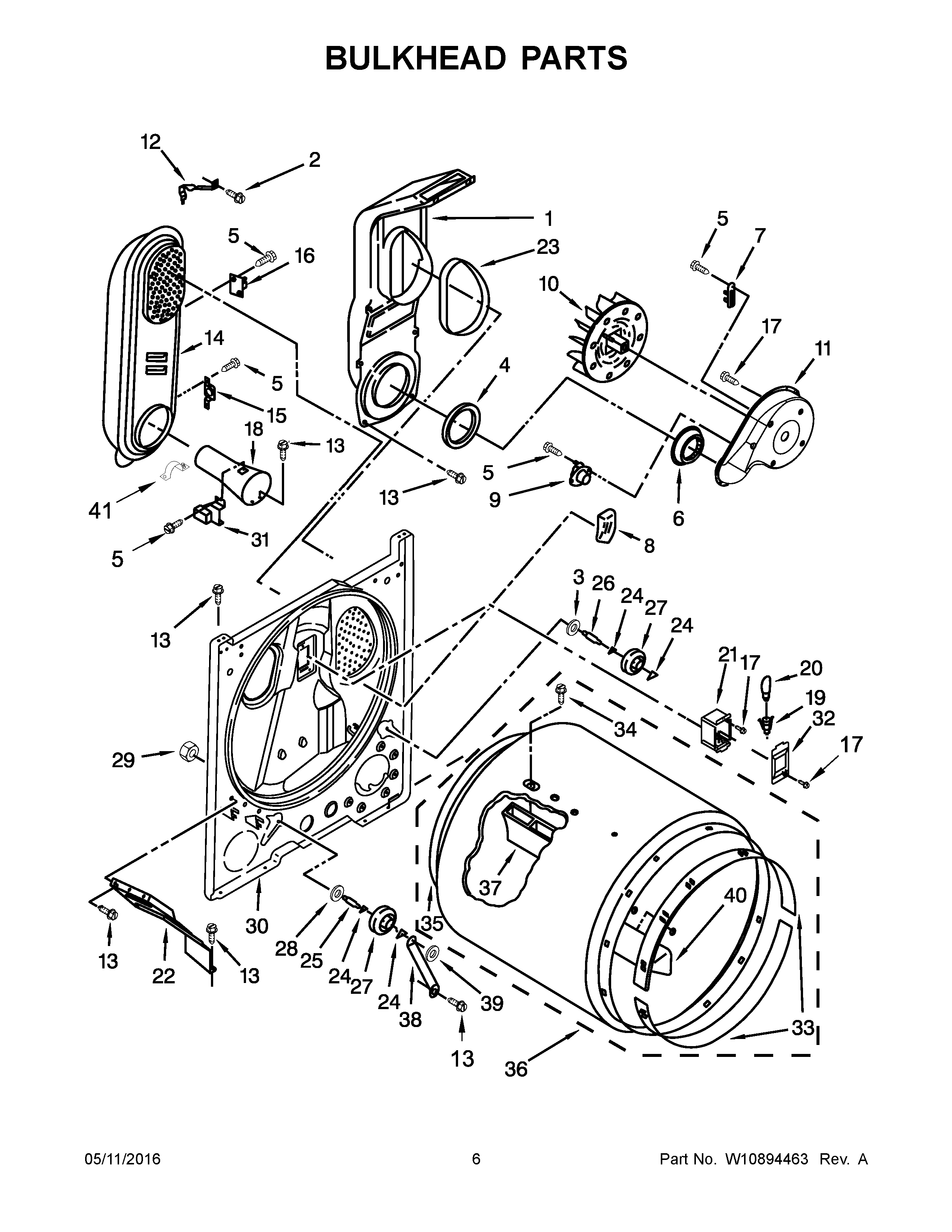
WGD4915EW2 04 – BULKHEAD PARTS