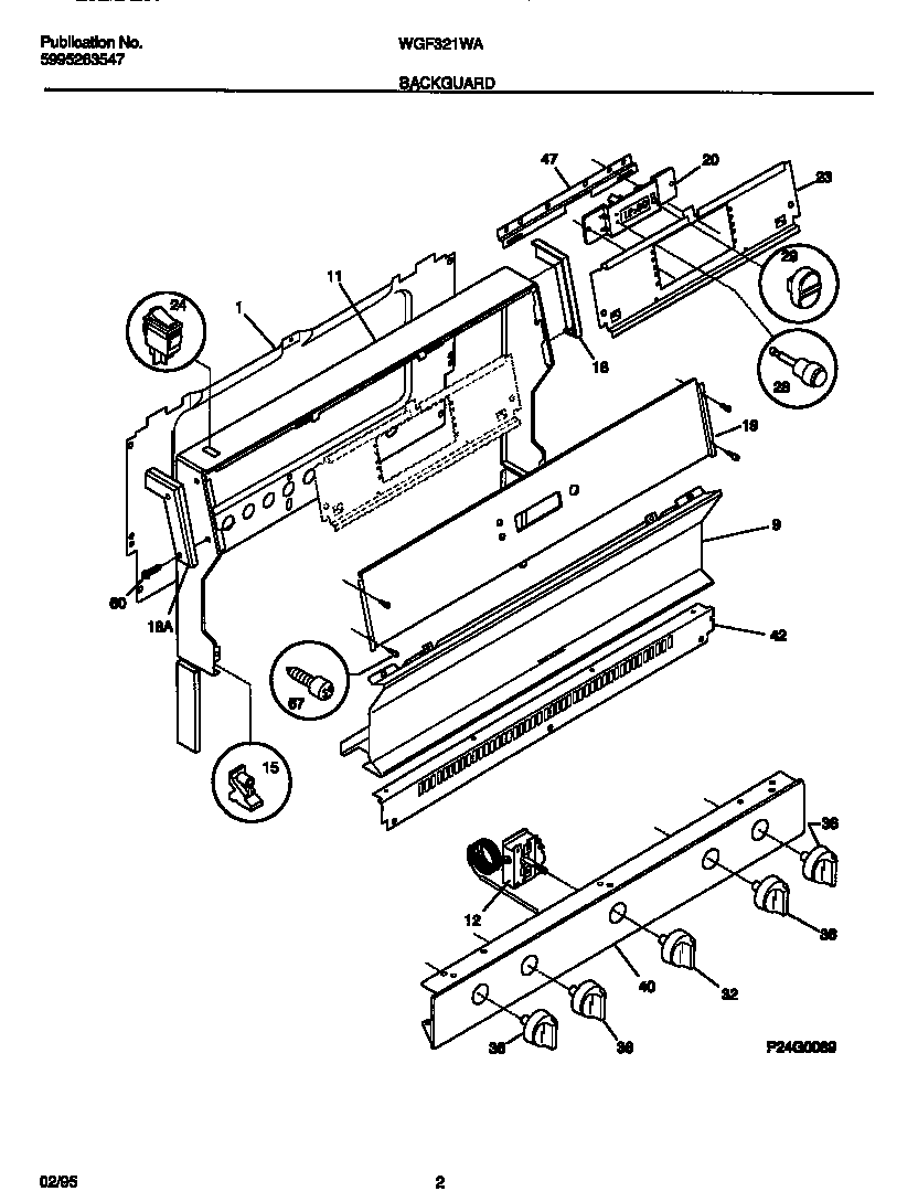
WGF321WADB 02 – BACKGUARDadmin2025-04-26T08:44:11+00:00WGF321WADB 02 – BACKGUARD ProductsPositionProduct*81041316021105 Frigidaire Oven Screw*81040WCI 53032815841SHIELD-BACKGUARD, REAR WALL9TRIM-SPLASHER, ALMOND11WCI 31601240512INSULATOR-THERMOSTAT (NOT ILLUSTRATED)12316032411 Frigidaire Stove Temperature Control Thermostat15SUPPORT-BACKGUARD,(2)18AWCI 31601350518WCI 31601350419WCI 31602283820WCI 530327230923WCI 316022607245308015487 Frigidaire Switch-Oven Light28BUTTON-CLOCK29KNOB-TIMER BUTTON32316102300 Frigidaire Oven Knob36KNOB-TOP VALVE, (4)40WCI 31606232542WCI 313124147WCI 31602270560WCI 530328997067SCREW, CONTROL PNL.