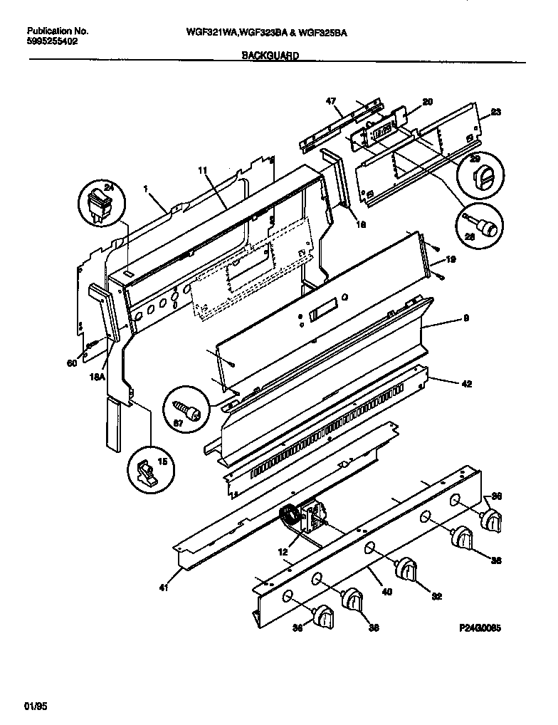
WGF321WAWA 02 – BACKGUARD