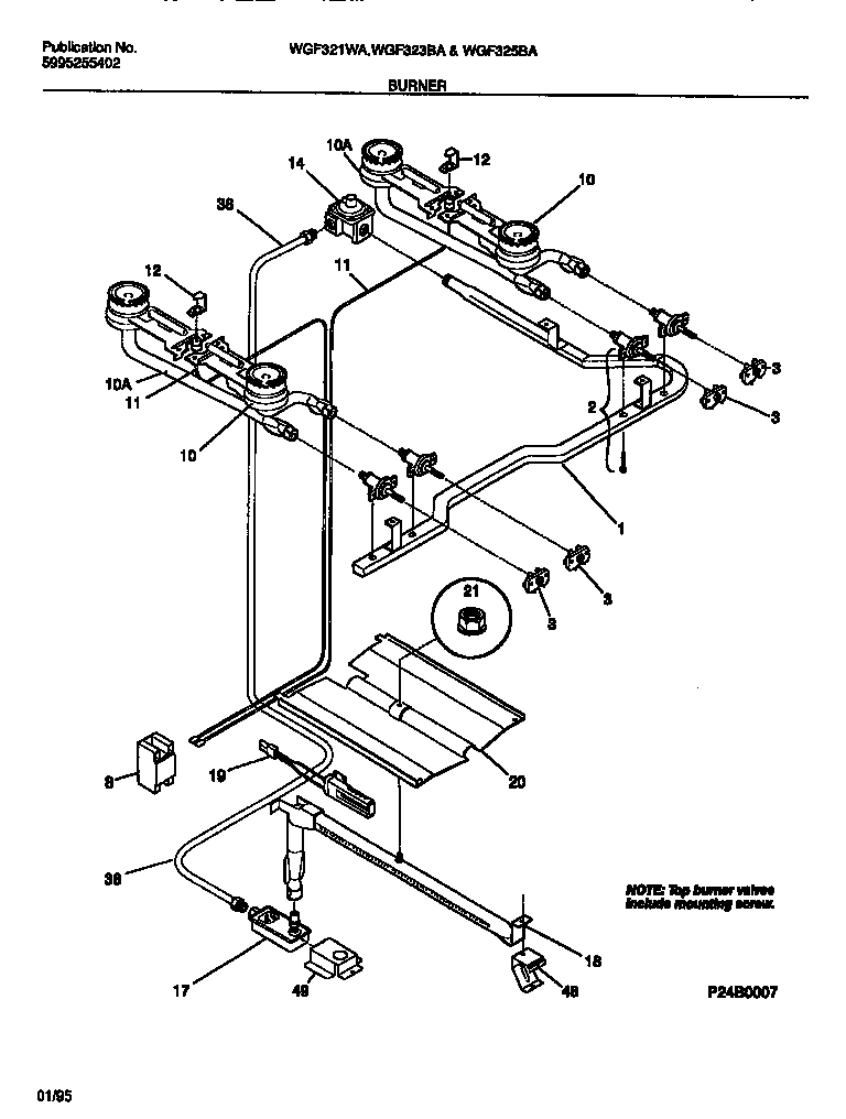
WGF323BADA 03 – BURNER