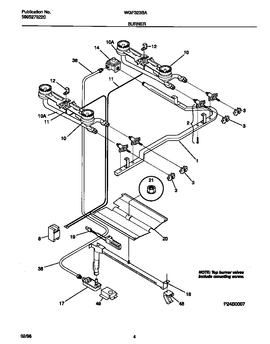
WGF323BAWE 03 – BURNER