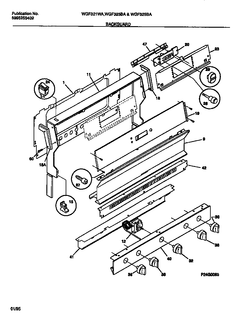
WGF325BADA 02 – BACKGUARD