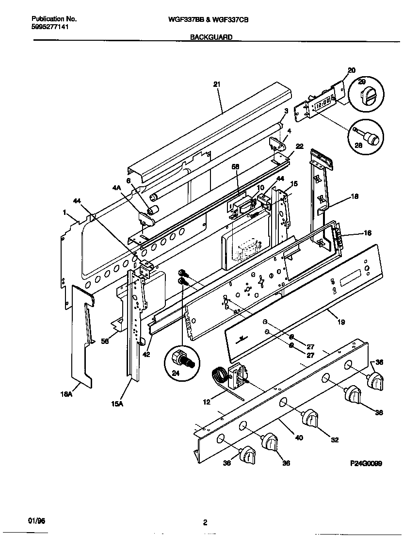
WGF337BBDB 02 – BACKGUARDadmin2025-04-26T08:44:03+00:00WGF337BBDB 02 – BACKGUARD ProductsPositionProduct*73802WCI 316001428*73800316021105 Frigidaire Oven Screw*73801WCI 5303281584*73803WCI 53032885741SHIELD-BACKGUARD, REAR WALL3BULB-FLUOR4RECEPTACLE-LAMP, RH4RECEPTACLE-LAMP, LH6STARTER-LAMP10WCI 530305111512316032411 Frigidaire Stove Temperature Control Thermostat15WCI 31602311115WCI 31602311016WCI 31604260118END CAP, LH18END CAP, RH19WCI 31602834320WCI 530327230921WCI 31601530022WCI 31603860024WCI 530320047927WCI 530301150728BUTTON-CLOCK29KNOB-TIMER BUTTON32316102300 Frigidaire Oven Knob36WCI 31600901040WCI 31606232442WCI 530327283944WCI 31603850156WCI 31607490258WCI 316043400