| NI | WCI 316001627 |
| NI | WCI 5303281584 |
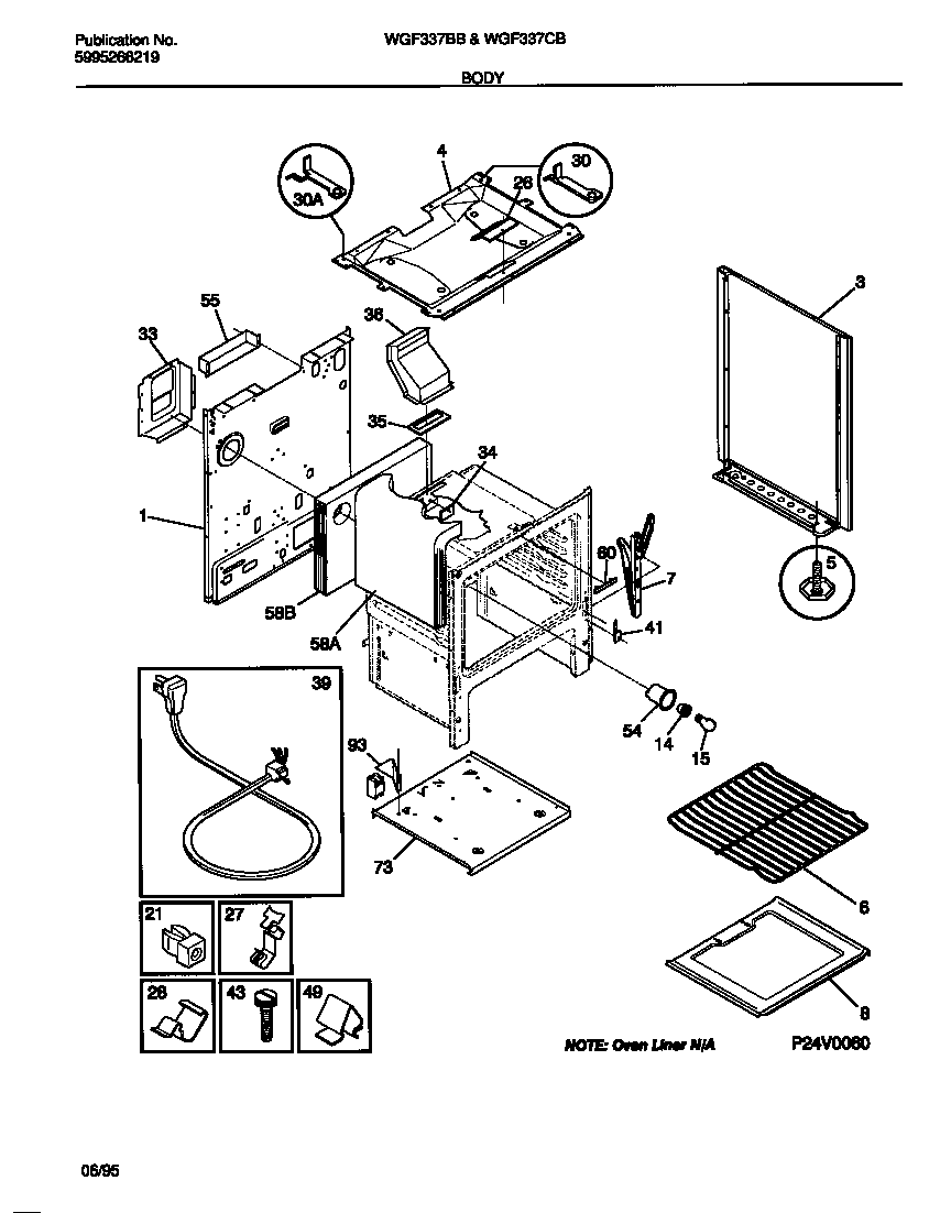
| 1 | WCI 316029410 |
| 3 | WCI 316081005 |
| 3 | WCI 316081004 |
| 4 | WCI 316011905 |
| 5 | WCI 3934058 |
| 5 | SCREW-LEVELING |
| 5 | NUT, T,TYPE, LEVELING SCREW (NOT ILLUSTRATED) |
| 5 | 316116000 Frigidaire Screw |
| 6 | 316067902 Frigidaire Oven Rack |
| 7 | 3203010 Frigidaire Clip |
| 7 | Hinge,oven door ,(2) |
| 8 | 316064600 Frigidaire Oven Support |
| 8 | BTTM-OVEN |
| 14 | 316116400 Frigidaire Oven Light Socket |
| 15 | 316538904 Frigidaire Oven Lamp Light |
| 21 | SPACER-BODYSIDE, (8) |
| 26 | WCI 08067757 |
| 27 | 5303284616 Frigidaire Range Bulb Clip Thermostat |
| 28 | CLIP-WIRE |
| 30A | BRACKET-HINGE, MAIN TOP, LH |
| 30 | BRACKET-HINGE, MAIN TOP RH |
| 33 | WCI 316055601 |
| 34 | COVER-IGNITOR |
| 35 | 316542102 Frigidaire Flue Gasket |
| 36 | WCI 5303273108 |
| 39 | 5304515659 Frigidaire Oven Power Cord |
| 39 | WCI 08067961 |
| 41 | WCI 3131570 |
| 43 | 316282700 Frigidaire Oven Screw |
| 49 | 3205821 Frigidaire Clip |
| 54 | WCI 5303271606 |
| 55 | WCI 5303273110 |
| 58A | INSULATION, OVEN WRAPPER |
| 58B | INSUL - OVEN BACK (NON-ILLUSTRATED) |
| 60 | COVER-OVEN FRONT |
| 73 | BASE-BROIL |
| 93 | WCI 316055501 |