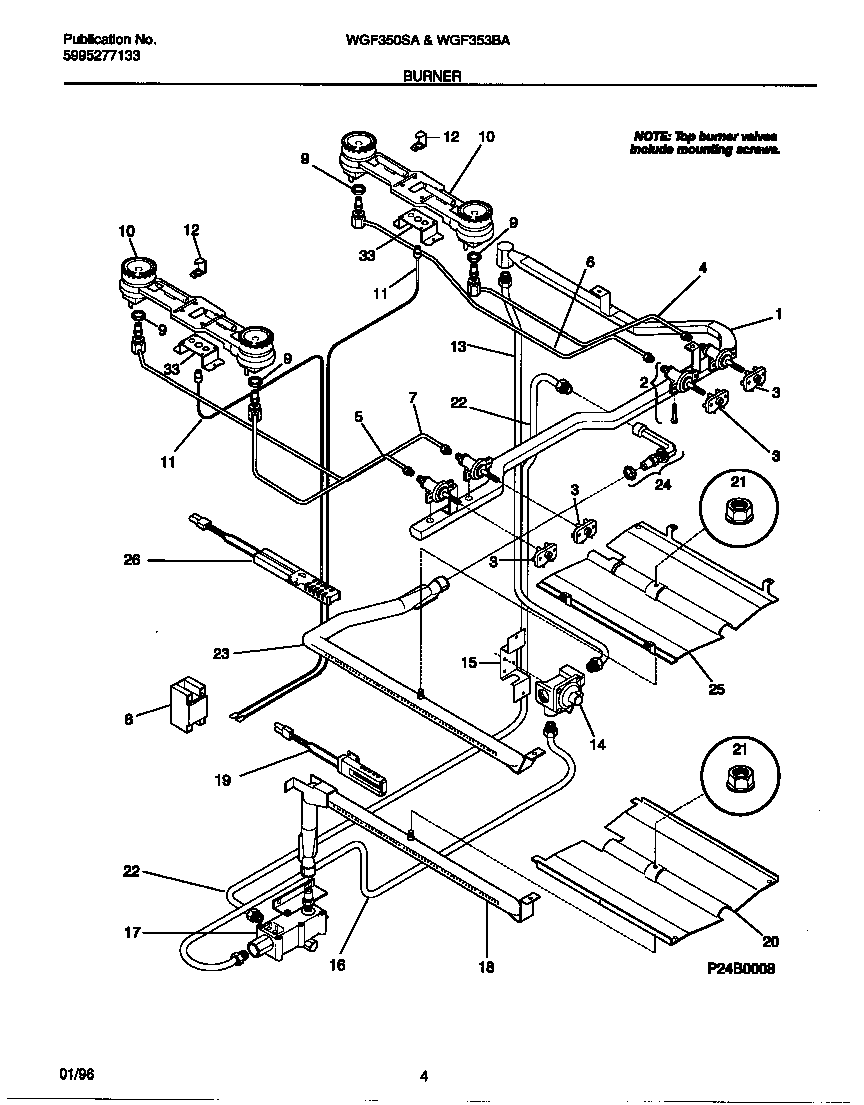
WGF350SADE 03 – BURNER