| *18724 | HARNESS-WIRING, MAIN |
| *18723 | WCI 5303281584 |
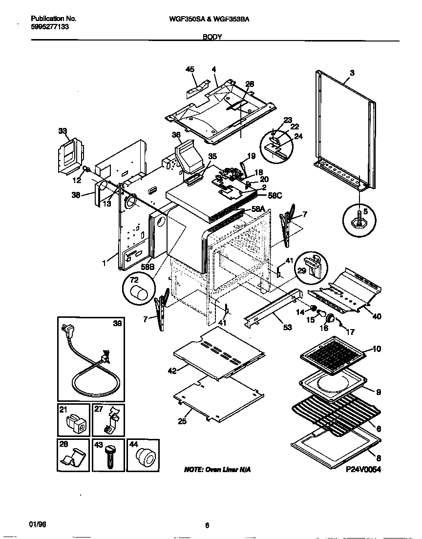
| 1 | WCI 316029410 |
| 2 | SHIELD-OVN TOP |
| 3B | WCI 08067992 |
| 3 | WCI 316081007 |
| 3A | SHIELD, HEAT, BODY SIDE (NOT ILLUSTRATED) |
| 3 | WCI 316081006 |
| 4 | WCI 3011597 |
| 5C | 316116000 Frigidaire Screw |
| 5A | SCREW-LEVELING |
| 5B | WCI 3934058 |
| 5D | NUT, T,TYPE, LEVELING SCREW (NOT ILLUSTRATED) |
| 6 | 316067902 Frigidaire Oven Rack |
| 7 | 3203010 Frigidaire Clip |
| 7 | Hinge,oven door ,(2) |
| 8A | BTTM-OVEN |
| 8B | 316064600 Frigidaire Oven Support |
| 9 | WCI 316073800 |
| 10 | WCI 3205234 |
| 12 | WCI 316027702 |
| 13 | WCI 316026800 |
| 14 | 316116400 Frigidaire Oven Light Socket |
| 15 | 316538904 Frigidaire Oven Lamp Light |
| 16 | 5304524341 Frigidaire Lens |
| 17 | 316087500 Frigidaire Oven Retainer |
| 18A | WCI 5303015453 |
| 18B | SHIELD-LATCH (NON-ILLUSTRATED) |
| 19 | WCI 5303131357 |
| 20A | WCI 3203218 |
| 20B | WCI 08013188 |
| 21 | SPACER-BODYSIDE, (8) |
| 22A | SWITCH-LATCH |
| 22B | STUD SPACER (2) (NON-ILLUSTRATED) |
| 23 | FSTNR-PUSH ON |
| 24 | SHIELD-LATCH |
| 25 | WCI 3131313 |
| 26 | WCI 08067757 |
| 27 | 5303284616 Frigidaire Range Bulb Clip Thermostat |
| 28 | CLIP-WIRE |
| 29 | 3051162 Frigidaire Oven Range Front Broiler Drawer Glide |
| 33 | SHIELD, REAR WALL |
| 35 | 316542102 Frigidaire Flue Gasket |
| 36 | WCI 3131931 |
| 38 | WCI 316014301 |
| 39A | 5304515659 Frigidaire Oven Power Cord |
| 39B | WCI 08067961 |
| 40A | WCI 3200836 |
| 40B | SCREW-HEAT SHIELD, HD SHLDR SQDR, 8-18 X 1/2 |
| 41 | WCI 3131570 |
| 42 | SHIELD-HEAT UPPER |
| 43 | 316282700 Frigidaire Oven Screw |
| 44 | 3131903 Frigidaire Door/Drawer Bumper |
| 45 | WCI 08068018 |
| 53B | 08067973 Frigidaire 0 Insulation |
| 53A | SHIELD-FRONT |
| 58 | INSULATION, OVEN TOP |
| 58 | WCI 316054200 |
| 58 | INSULATION, OVEN WRAPPER |
| 72 | COVER-LIGHT/SWITCH ROD |