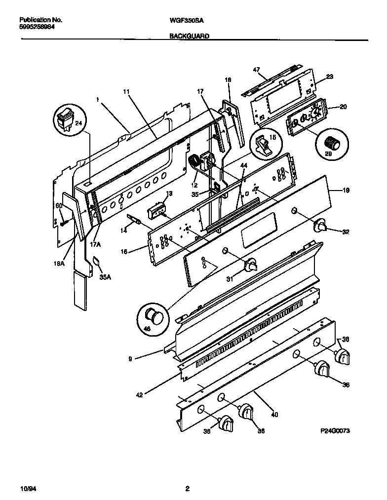
WGF350SAWA 02 – BACKGUARD