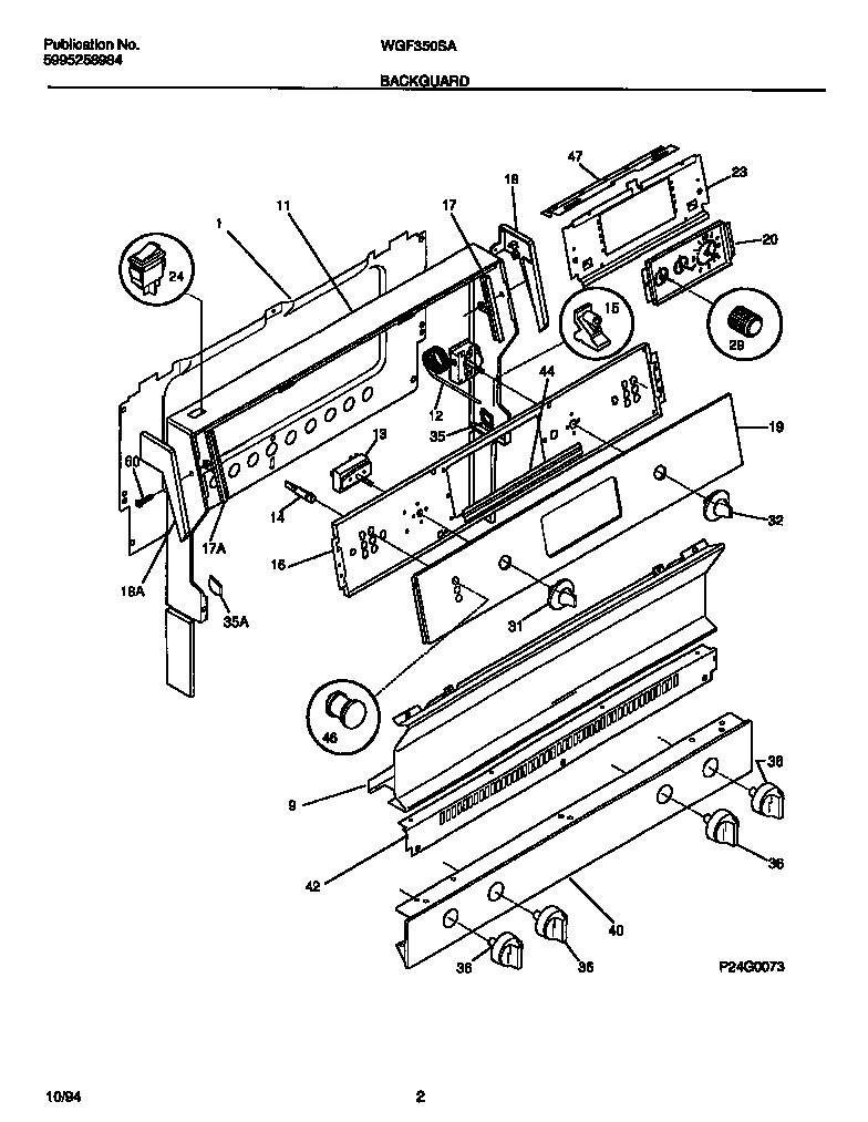
WGF350SAWB 02 – BACKGUARD