WGF353BADA 02 – BACKGUARDadmin2025-04-26T08:44:31+00:00WGF353BADA 02 – BACKGUARD
Products
| Position | Product |
|---|
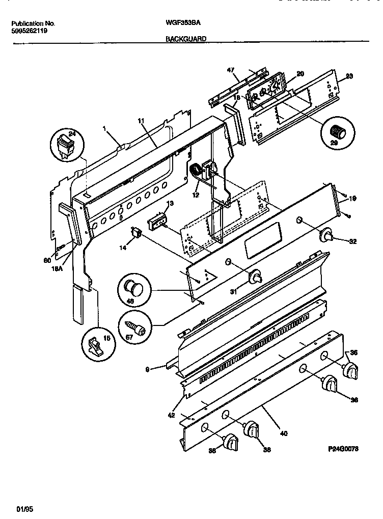
| *95840 | HARNESS-WIRING, BACKGUARD |
| *95841 | 316021105 Frigidaire Oven Screw |
| *95842 | WCI 5303281584 |
| 1 | SHIELD-BACKGUARD, REAR WALL |
| 9 | TRIM-SPLASHER, ALMOND |
| 11 | WCI 316012405 |
| 12 | WCI 316028600 |
| 13 | WCI 316028500 |
| 14 | LIGHT/LAMP, INDICATOR, RED, LOCK, 125, LOCK (NON-ILLUST |
| 14 | 316022500 Frigidaire Oven Warmer Drawer Zone Indicator Light Lamp |
| 15 | SUPPORT-BACKGUARD,(2) |
| 18 | WCI 316013504 |
| 18A | WCI 316013505 |
| 19 | WCI 316022839 |
| 20 | WCI 316017408 |
| 23 | WCI 316022605 |
| 24 | 5308015487 Frigidaire Switch-Oven Light |
| 29 | KNOB-CLOCK |
| 31 | WCI 316016920 |
| 32 | WCI 316016820 |
| 36 | KNOB-TOP VALVE, (4) |
| 40 | WCI 316062323 |
| 42 | WCI 3131241 |
| 46 | 318228310 Frigidaire Oven Lens |
| 60 | WCI 5303289970 |
| 67 | SCREW, CONTROL PNL. |