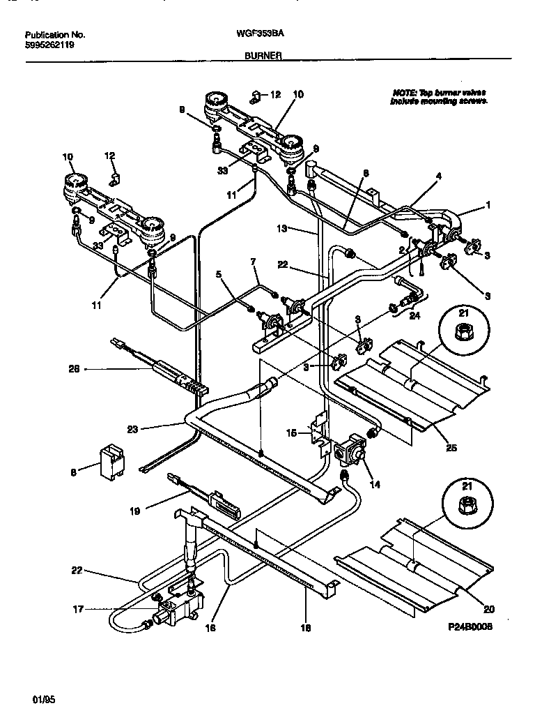
WGF353BADB 03 – BURNER