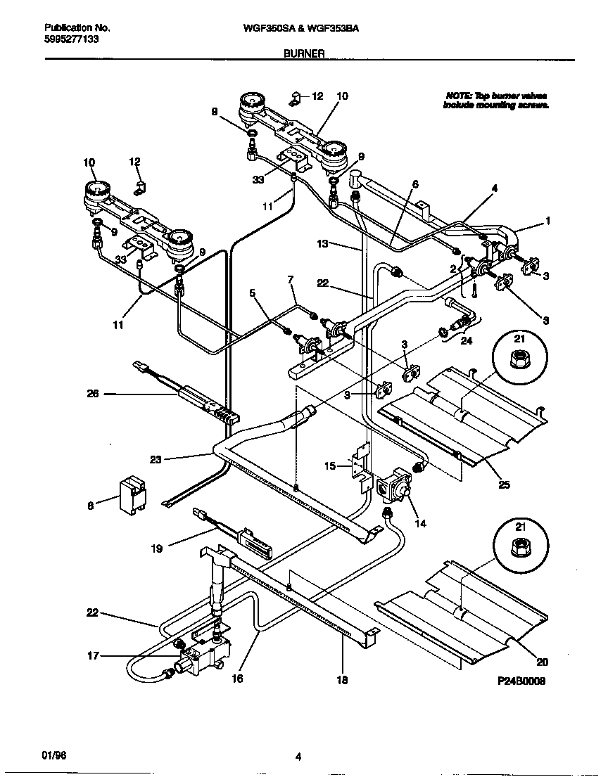
WGF353BADE 03 – BURNER