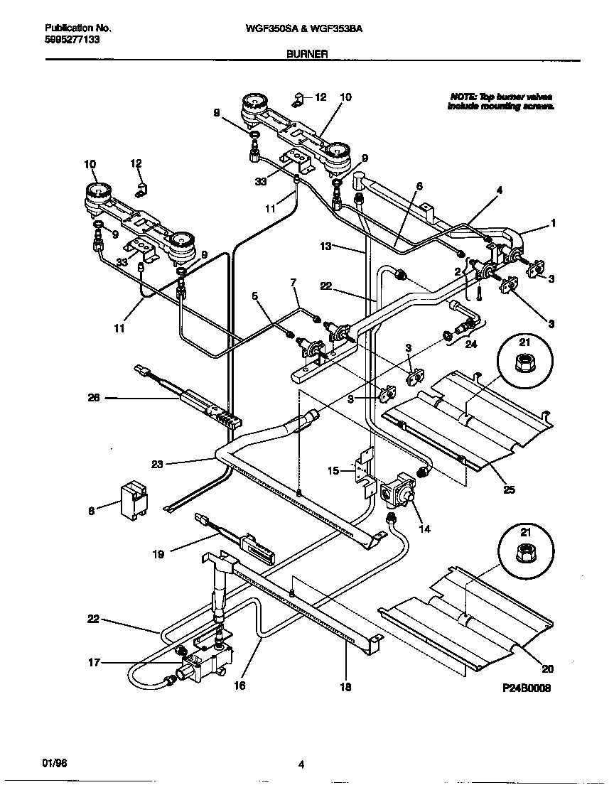
WGF353BAWE 03 – BURNER