WGF353CASA 02 – BACKGUARDadmin2025-04-26T08:44:10+00:00WGF353CASA 02 – BACKGUARD
Products
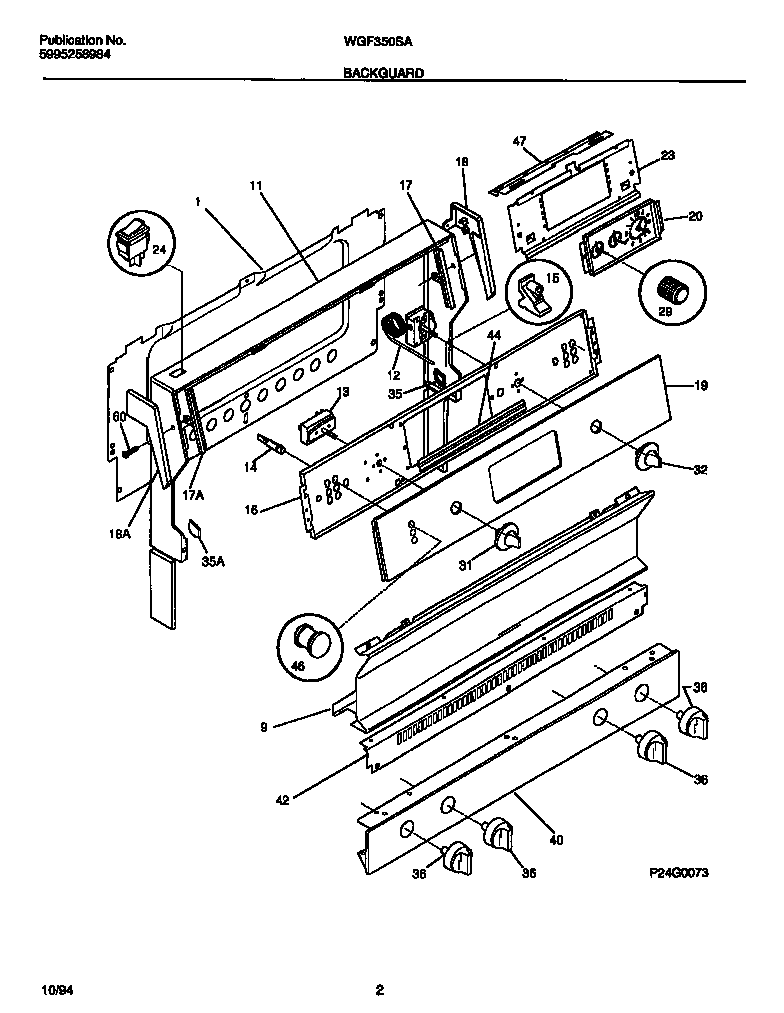
| Position | Product |
|---|
| *34521 | HARNESS-WIRING, BACKGUARD |
| 1 | SHIELD-BACKGUARD, REAR WALL |
| 9 | TRIM-SPLASHER, WHITE |
| 11 | WCI 316012409 |
| 12 | WCI 316028600 |
| 13 | WCI 316028500 |
| 14A | LIGHT/LAMP, INDICATOR, RED, LOCK, 125, LOCK (NON-ILLUST |
| 14 | 316022500 Frigidaire Oven Warmer Drawer Zone Indicator Light Lamp |
| 15 | SUPPORT-BACKGUARD,(2) |
| 16 | WCI 316042601 |
| 17 | TRIM-GLASS RETAINER,RH |
| 17A | TRIM-GLASS RETAINER,LH |
| 18A | WCI 316013501 |
| 18 | WCI 316013500 |
| 19 | WCI 316022840 |
| 20 | WCI 316017409 |
| 23 | WCI 316022605 |
| 24 | WCI 5303285911 |
| 29 | WCI 316029001 |
| 31 | WCI 316016921 |
| 32 | WCI 316016821 |
| 35A | CAP-LH |
| 35 | CAP-RH |
| 36 | 316009046 Frigidaire Oven Knob |
| 40 | WCI 316062326 |
| 42 | WCI 3131241 |
| 44 | WCI 3131468 |
| 46 | 318228310 Frigidaire Oven Lens |
| 47 | WCI 316022705 |
| 60 | SCREW-END CAP |