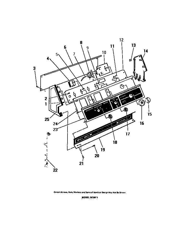
WIMF2 03 – CONSOLE