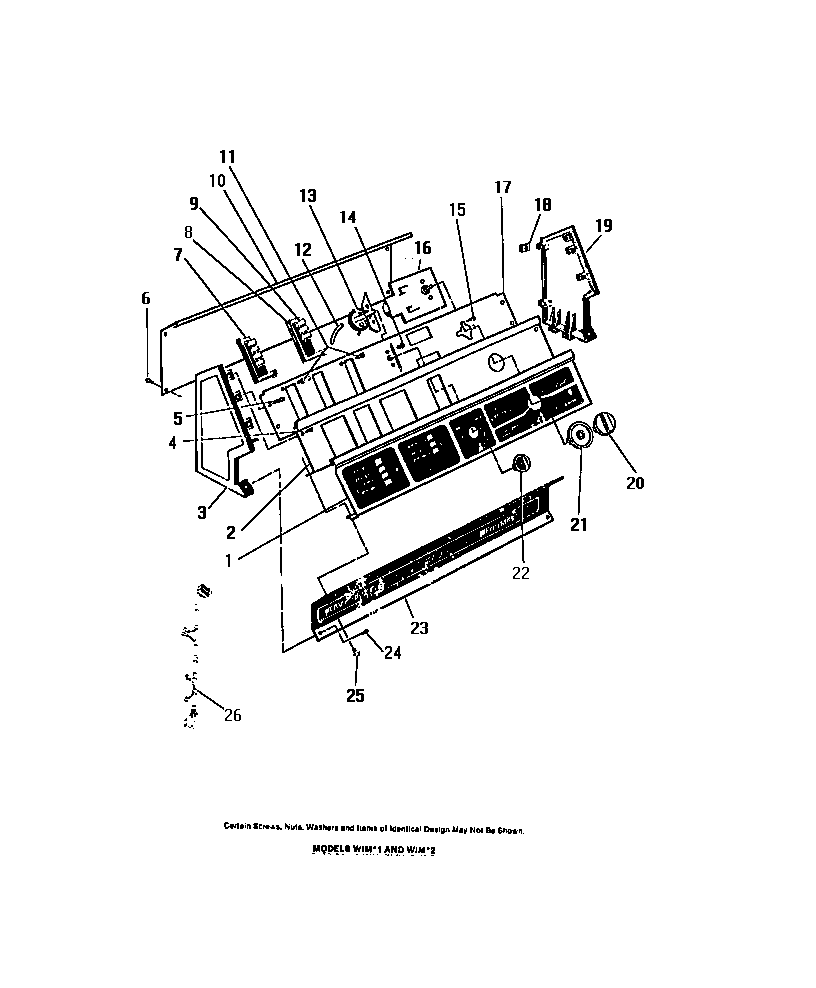
WIMH1 05 – CONSOLE