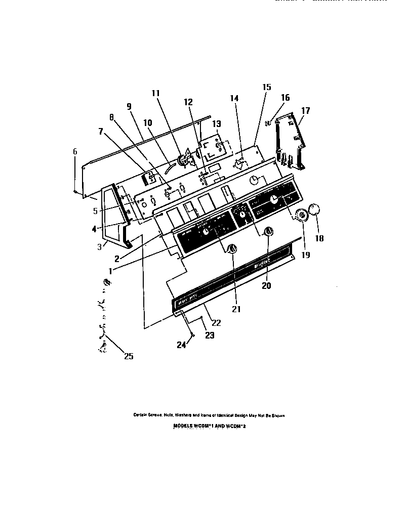
WIML2 04 – CONSOLE