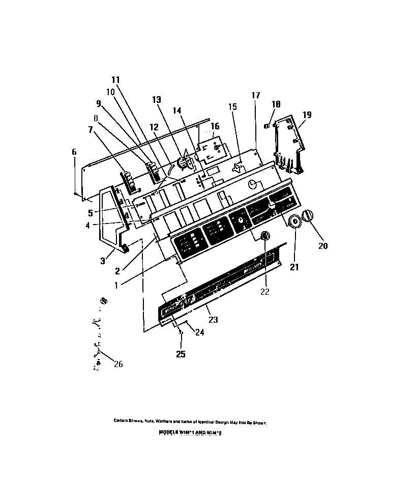
WIMW1 05 – CONSOLE