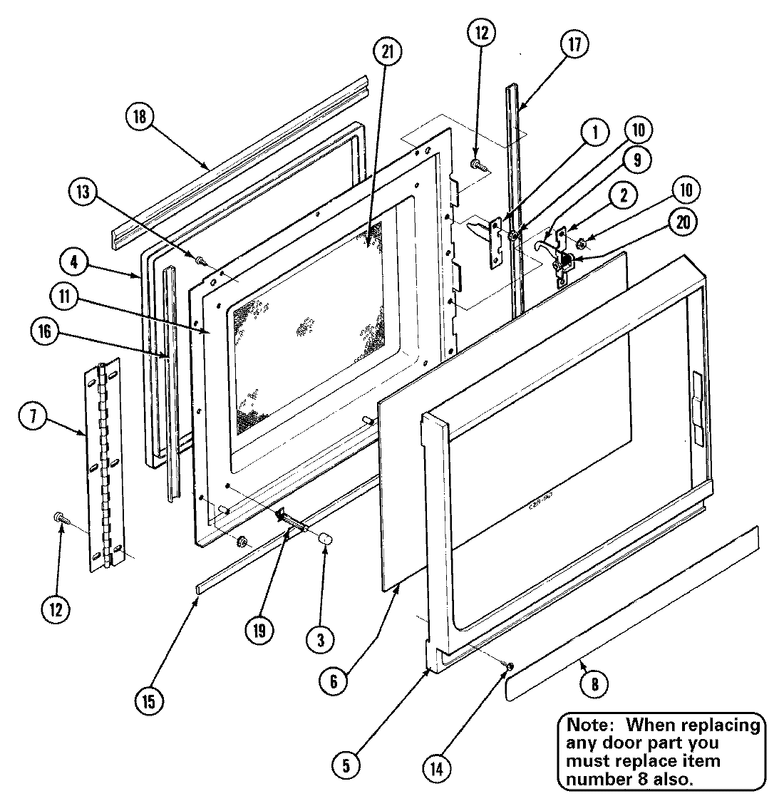
WM227W 05 – DOOR-UPPER (M166)admin2025-04-26T08:49:13+00:00WM227W 05 – DOOR-UPPER (M166) ProductsPositionProduct1MAY Y020301172MAY Y020301163MAY Y021001354MAY Y021000805MAY 040215906MAY 022201166MAY 021201667MAY Y022000178MAY Y021001969MAY 0219005610MAY Y0305004111MAY 0402146112MAY Y0301015713MAY Y0301011814MAY Y0301013515MAY 0212011416MAY Y0212012117MAY Y0212012218MAY Y0312006418MAY 0212015319MAY Y0312006920MAY Y0318002321MAY Y0222007321MAY Y03010113