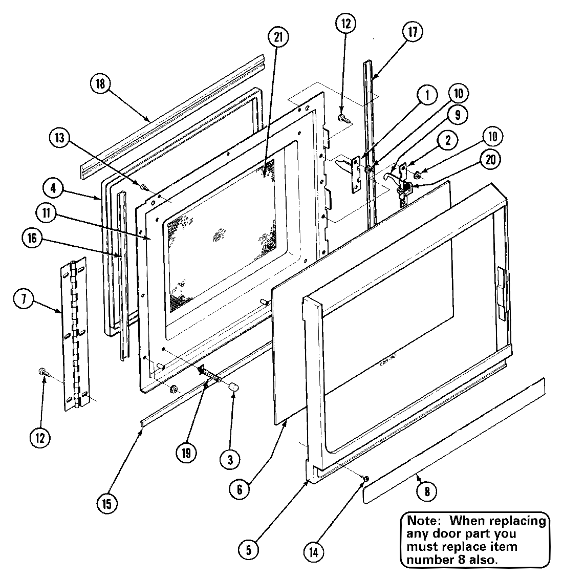
WM236B 07 – DOOR-UPPER (M166)admin2025-04-26T08:49:17+00:00WM236B 07 – DOOR-UPPER (M166) ProductsPositionProduct1MAY Y020301172MAY Y020301163MAY Y021001354MAY Y021001665MAY 040215896MAY 021201516MAY Y022201177MAY Y022000178MAY 021002449MAY 0219005610MAY Y0305004111MAY 0402137712MAY Y0301015713MAY Y0301011814MAY Y0301013515MAY 0212011416MAY Y0212012117MAY Y0212012218MAY Y0312006418MAY 0212015319MAY Y0312006920MAY Y0318002321MAY Y0301011321MAY Y02220073