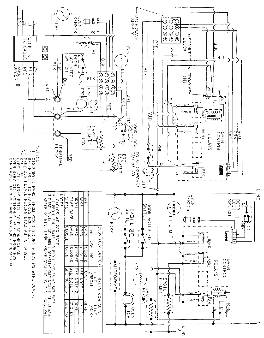
WME3020W 10 – WIRING INFORMATION

WME3020W 10 – WIRING INFORMATION

Products

PositionProduct
NIMAY 15001547