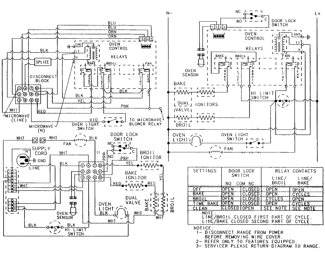
WMG3020W 11 – WIRING INFORMATIONadmin2025-04-26T08:48:44+00:00WMG3020W 11 – WIRING INFORMATION ProductsPositionProductNIMAY 15001128