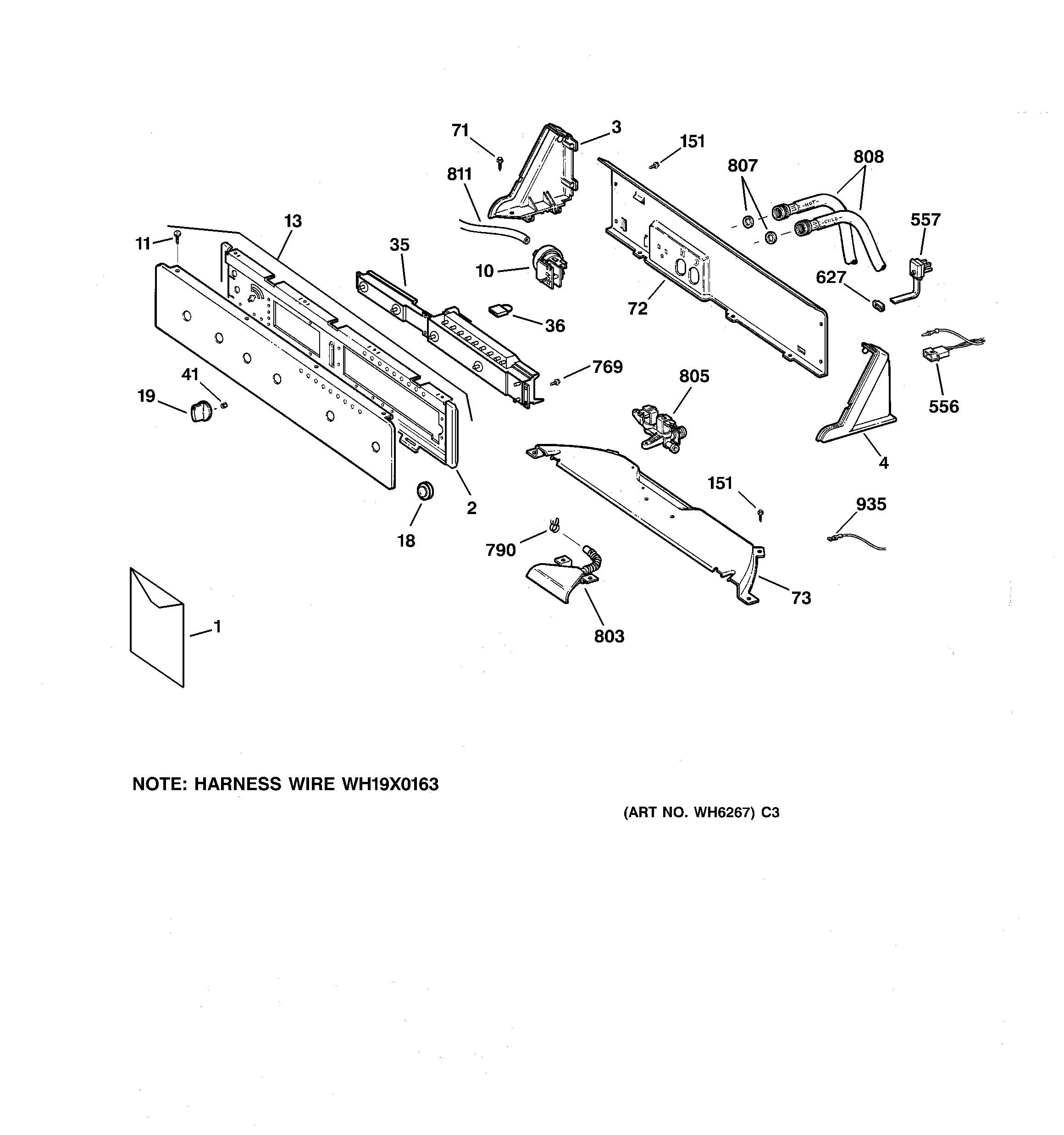
WMSE3140A0AA CONTROLS & BACKSPLASHadmin2025-04-26T11:38:22+00:00WMSE3140A0AA CONTROLS & BACKSPLASH ProductsPositionProduct1INSTRUCTION INSTALL1MINI MANUAL1GEN 49-900552GEN WH46X100483END CAP LH AD4END CAP RH AD10GEN WH12X1010711SCREW 8-18 AB FLT 9/16 S13GEN WH42X1024618GEN WH01X1007319WH1X2721 GE Dryer Control Knob35GEN WH12X1012936GEN WH12X1013541GEN WE01X0980?71WH2X1205 GE Screw 8-1872GEN WH46X1003573GEN WH46X10047556GEN WH12X0497557GEN WH19X0311627GEN WH12X10025769WB1X500D GE Oven Screw Package790WH1X2036 GE UNIX Clamp803HOSE & WATER INLET805WATER VALVE807WH2X42D GE Washer Pack of 12808WH41X10207 GE Washer Rubber Inlet Hose 2 Pack 4'811WH41X365 GE Washer Water Level Pressure Switch HOSE935GEN WD01X1434