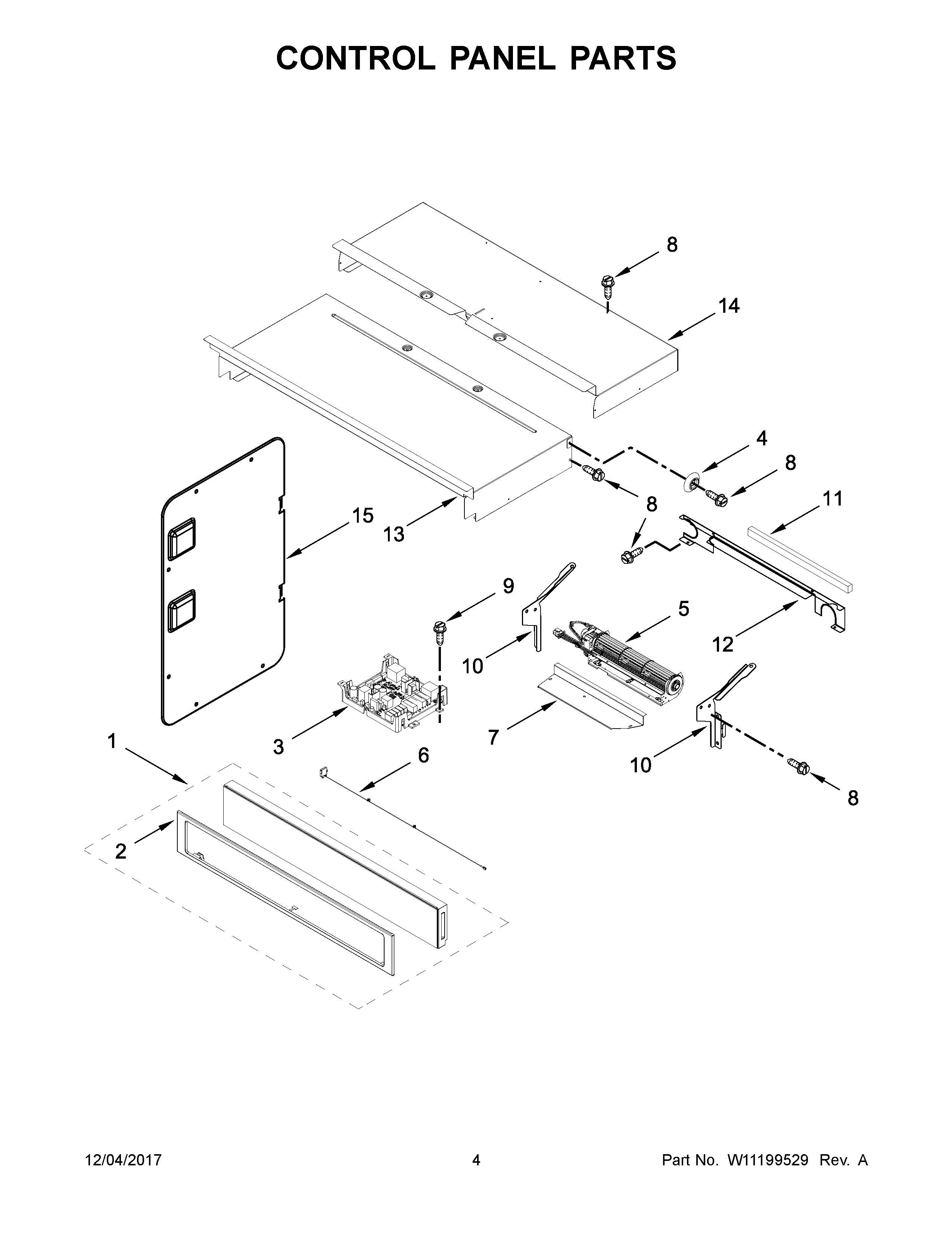
WOC54EC7HW00 03 – CONTROL PANEL PARTSadmin2025-04-26T13:11:38+00:00WOC54EC7HW00 03 – CONTROL PANEL PARTS ProductsPositionProductNIW10881998 Whirlpool Wire HarnessNIW10874060 Whirlpool Microwave Wire HarnessNIW11132989 Whirlpool Wire HarnessNIW11356954 Whirlpool Microwave Wire HarnessNIW11356977 Whirlpool Wire HarnessNIW11356970 Whirlpool Microwave Wire HarnessNI16515 Whirlpool ClipNI4450800 Whirlpool Oven ScrewNIHARNESS, GROUND CONSOLE COMBONIW11356990 Whirlpool Wire HarnessNI4448664 Whirlpool Oven Mounting BracketNICABINET (NOT A SERVICEABLE PART)1BW11367329 Whirlpool Console + Core1W11290642-includeCORE Whirlpool W11290642 Refrigerator Control Panel + Core1AW11367343 Whirlpool Console + Core2BW11112611 Whirlpool Control Panel2W11115276 Whirlpool Skin Panel2ASKIN, CONTROL PANEL (WHITE)3W11261167 Whirlpool Electronic Control Board + Core4W10618105 Whirlpool Spacer5W11248652 Whirlpool Blower6W11537624 Whirlpool Antenna Assembly7W10681157 Whirlpool Fan Cover8SCREW9SCREW10AW10655462 Whirlpool Mounting Bracket10W10655463 Whirlpool Bracket Mounting11W10728475 Whirlpool Foam Seal12W10655465 Whirlpool Mounting Bracket13W10318159 Whirlpool Access Cover14CHASSIS, COVER TOP BACK 27 IN WIFI15W10655467 Whirlpool Side Cover