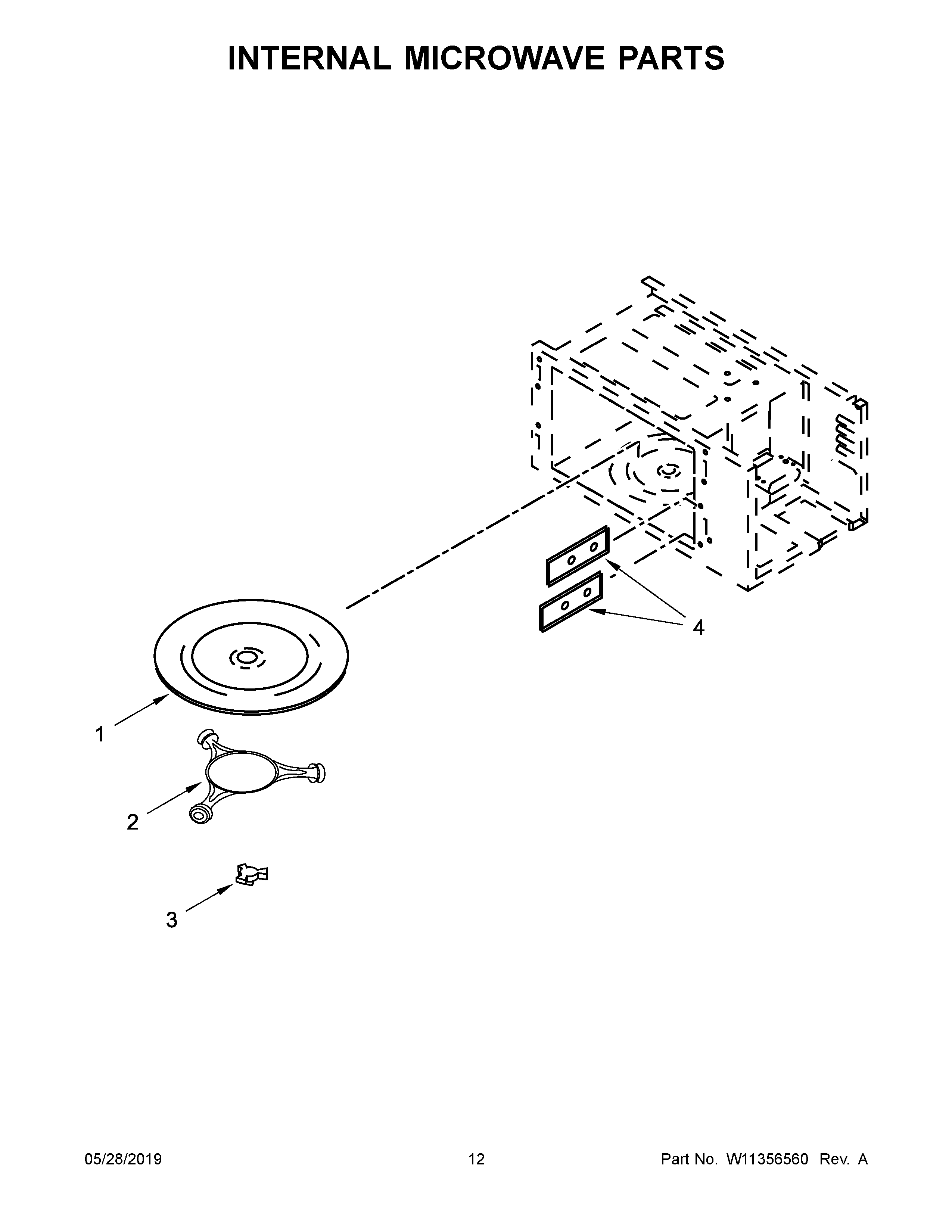
WOC75EC7HS02 07 – INTERNAL MICROWAVE PARTSadmin2025-04-26T13:14:24+00:00WOC75EC7HS02 07 – INTERNAL MICROWAVE PARTS ProductsPositionProduct1W10818723 Whirlpool Cook Tray Glass2RING-TURN3W11179756 Whirlpool Glass Tray Drive Coupling4W10915651 Whirlpool Waveguide Cover