WOS52EM4AS1 03 – CONTROL PANEL PARTSadmin2025-04-26T11:27:26+00:00WOS52EM4AS1 03 – CONTROL PANEL PARTS
Products
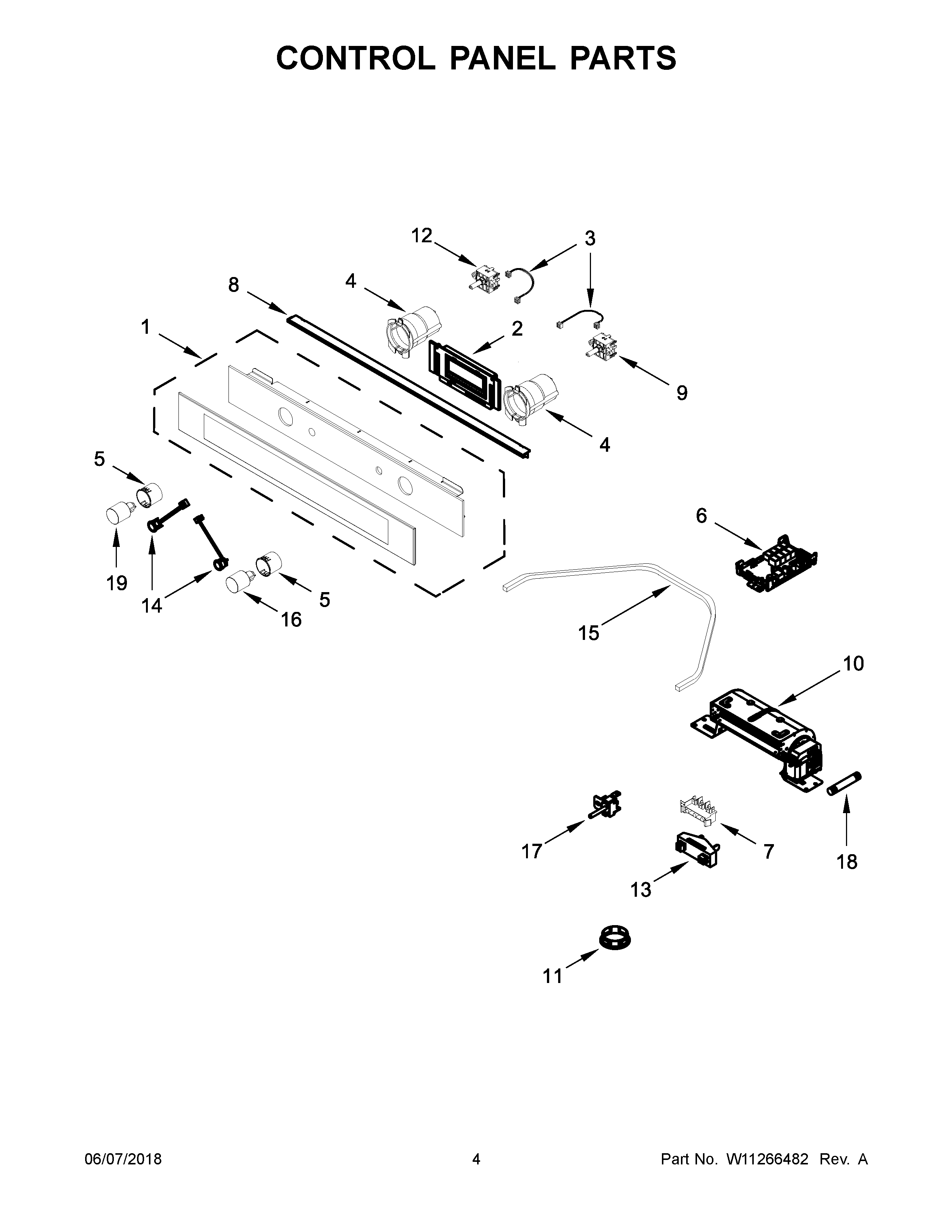
| Position | Product |
|---|
| 1 | PANEL, CONTROL GLASS AND FRAME |
| 2 | BOARD, DISPLAY G2 EVO ANALOGUE |
| 3 | HARNESS, DISPLAY SELECTOR SWITCH |
| 4 | SUPPORT, PUSH BUTTON |
| 5 | RING, PUSH TURN KNOB |
| 6 | BOARD, POWER ESTER |
| 7 | BLOCK, TERMINAL |
| 8 | W10517985 Whirlpool Trim Panel M |
| 9 | SWITCH, SELECTOR +/- INCREMENTAL |
| 10 | BLOWER, COOLING FAN |
| 11 | GROMMET, CABLE |
| 12 | SWITCH, OVEN 11 POSITION |
| 13 | CLAMP, CABLE |
| 14 | BUTTON, PUSH |
| 15 | GASKET, BLOWER MOTOR |
| 16 | KNOB, PUSH BUTTON |
| 17 | W10532969 Whirlpool Oven Thermostat |
| 18 | FUSE, 315MA |
| 19 | KNOB, OVEN |