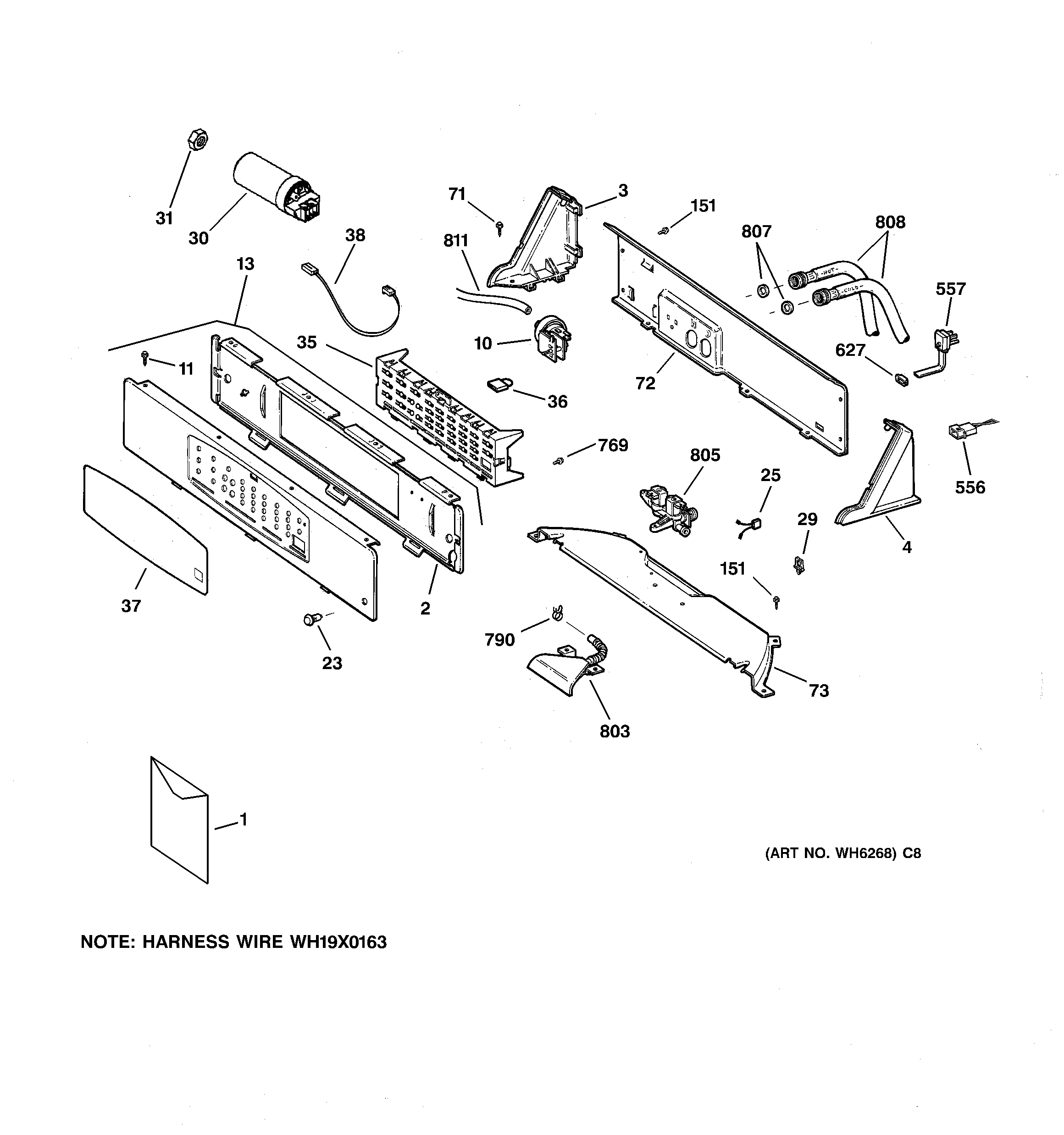
WPSB9120B0CC CONTROLS & BACKSPLASHadmin2025-04-26T12:59:05+00:00WPSB9120B0CC CONTROLS & BACKSPLASH ProductsPositionProduct1GEN 31-154411GEN 31-154911GEN 49-900902GEN WH46X100553GEN WH42X103114GEN WH42X1031210GEN WH12X1013911GEN WH02X1012513GEN WH42X1037123SWITCH D0ME25GEN WH12X1013729GEN WH02X1005430GEN WH12X1019231GEN WH02X1012435GEN WH12X1020736GEN WH12X1013537GEN WH42X1037038GEN WH19X1001771WH2X1205 GE Screw 8-1872GEN WH46X1007873GEN WH46X10080151WH02X10126 GE Screw 8-18 B 1HW 1/2 SN556GEN WH12X0497557GEN WH19X10020627GEN WR01X1930769WB1X500D GE Oven Screw Package790WH1X2036 GE UNIX Clamp803HOSE & WATER INLET805GEN WH13X10010807WH2X42D GE Washer Pack of 12808WH41X10207 GE Washer Rubber Inlet Hose 2 Pack 4'811WH41X365 GE Washer Water Level Pressure Switch HOSE