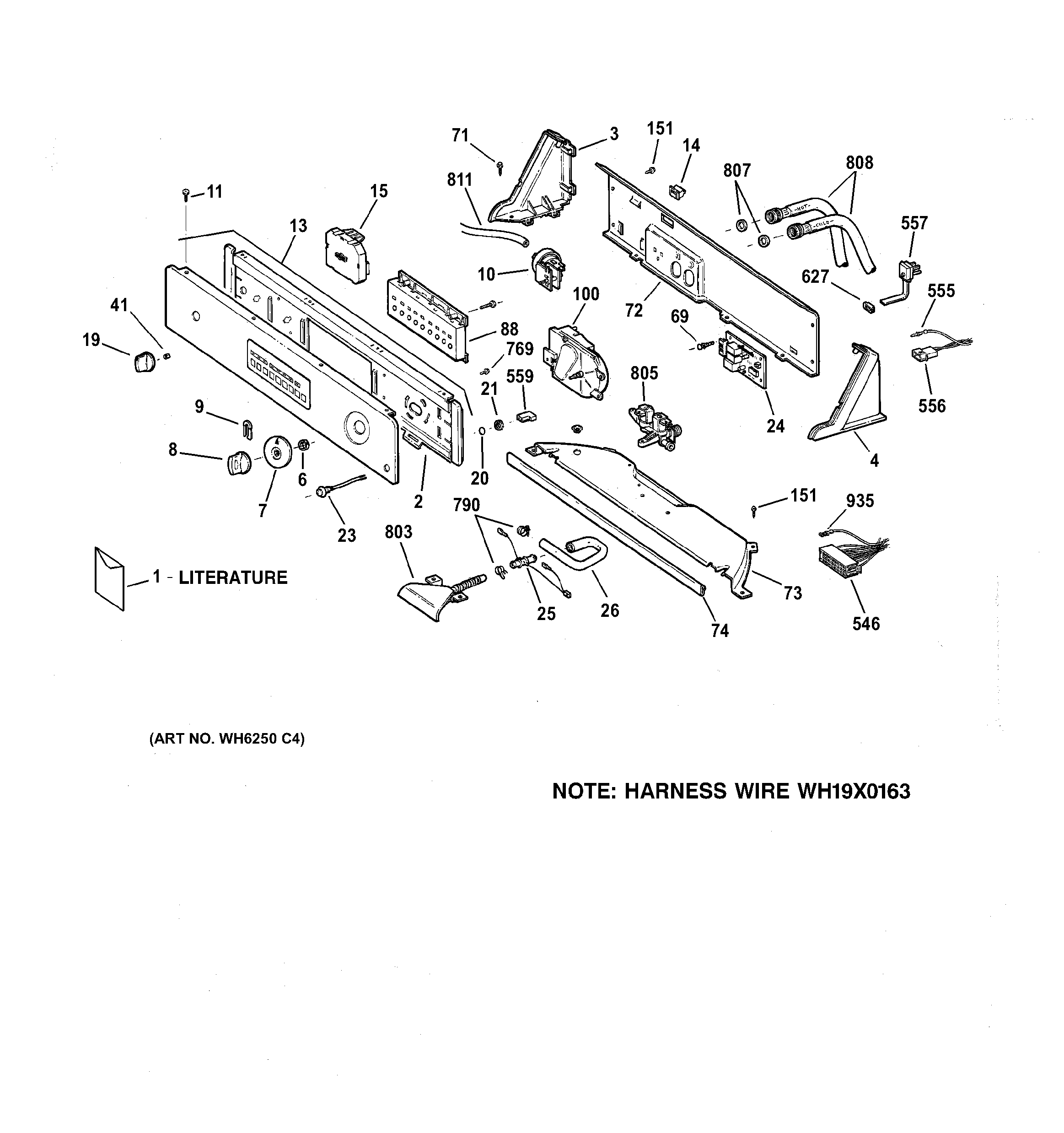
WPSQ4160TAWW CONTROLS & BACKSPLASH