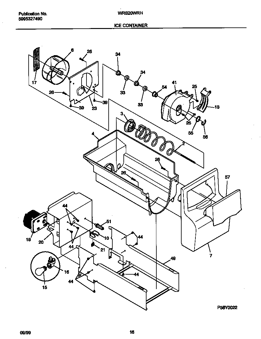
WRS20WRHD3 09 – ICE CONTAINER