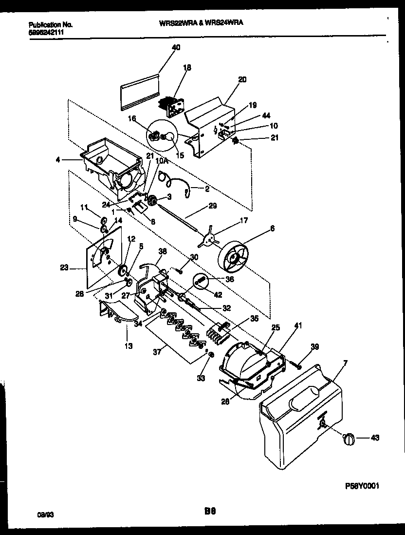
WRS22WRAD1 12 – ICE DISPENSERadmin2025-04-26T08:39:36+00:00WRS22WRAD1 12 – ICE DISPENSER ProductsPositionProduct1WCI 2155713002WCI 2154190003WCI 2154192004WCI 2154177004AWCI 2154639005WCI 2157481056WCI 2157528007WCI 2154216098WCI 2155712009WCI 21541970010AWCI 21575720010241726501 Frigidaire Refrigerator Drive Bar11WCI 21575520012WCI 21542040013WCI 21542060014WCI 21541990015316538904 Frigidaire Oven Lamp Light16WCI 21576710017WCI 21575480018AWCI 215285500185304462594 Frigidaire Refrigerator Motor-Auger19WCI 21577100020WCI 21528530123ARING-RETAINER (NOT ILLUSTRATED)23BSTUD (NOT ILLUSTRATED)23WCI 21575530024WCI 21557140025WCI 21542140026215503203 Frigidaire Refrigerator Door Handle Screw27WCI 21574840028WCI 21575510029WCI 21575750130WCI 21575730031WCI 21575740032ARING-SNAP (NOT ILLUSTRATED)32WCI 21574750233WCI 21574820034WCI 21574830035WCI 21575350036WCI 21575670037WCI 21575610037HSPACER, (4) (NOT ILLUSTRATED)37GRING-SNAP (NOT ILLUSTRATED)37FSHAFT-CRUSHER (NOT ILLUSTRATED)37EBLADE-CRUSHER, NO. 5 (NOT ILLUSTRATED)37DBLADE-CRUSHER, NO. 4 (NOT ILLUSTRATED)37GSPACER, (2) (NOT ILLUSTRATED)37CBLADE-CRUSHER, NO. 3 (NOT ILLUSTRATED)37BBLADE-CRUSHER, NO. 2 (NOT ILLUSTRATED)37ABLADE-CRUSHER, NO. 1 (NOT ILLUSTRATED)38WCI 215756900