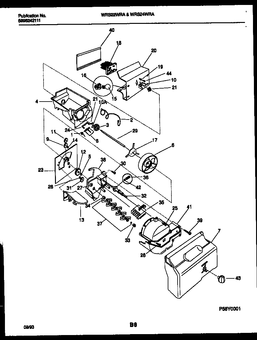
WRS22WRAW1 12 – ICE DISPENSER