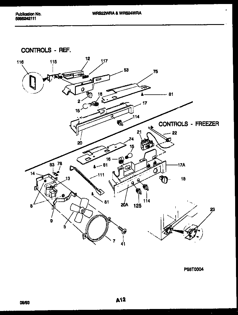
WRS24WRAD1 07 – REFRIGERATOR CONTROL ASSEMBLY, DAMPadmin2025-04-26T08:39:42+00:00WRS24WRAD1 07 – REFRIGERATOR CONTROL ASSEMBLY, DAMP ProductsPositionProduct2WCI 21502860255308000010 Frigidaire Refrigerator Evaporator Fan Blade7RING-FAN ORIFICE8G187559 Frigidaire Refrigerator Bushing9WCI 530320511812WCI 21501160013A215474201 Frigidaire Refrigerator Washer13WCI 21534810014BRACKET-MOTOR MTG, REAR15316538904 Frigidaire Oven Lamp Light16241559801 Frigidaire Light Socket Refrigerator17ACONTROL BOX, FRZR17WCI 530329680518WCI 21505100520AWCI 530329993120WCI 530329712021WCI 530329432322WCI 301889123CSHIELD-DEFROST TIMR,BTM23ACOVER-DEFROST TIMER, TOP23215846602 Frigidaire Refrigerator 8-Hour Defrost Timer23B5304455649 Frigidaire Refrigerator Screw41ANUT, ``U`` TYPE, NO. 8-15(A), FAN MOTOR MOUNT (NOT ILLUSTRATED)415308000039 Frigidaire Refrigerator Screw53WCI 21555330074WCI 530328951675WCI 5303289052785304455651 Frigidaire Refrigerator Screw815304455650 Frigidaire Refrigerator Screw83WCI 5308000107111WCI 53032978421145303289051 Frigidaire Refrigerator Light Switch115WCI 215011501116WCI 215011400117WCI 215011700125WCI 215334201