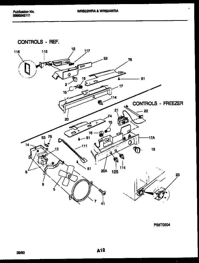
WRS24WRAW1 07 – REFRIGERATOR CONTROL ASSEMBLY, DAMP