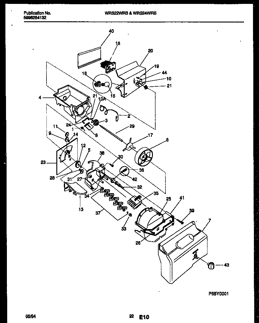
WRS24WRBW0 12 – ICE DISPENSERadmin2025-04-26T08:39:42+00:00WRS24WRBW0 12 – ICE DISPENSER ProductsPositionProduct1WCI 2155713002WCI 2182325003WCI 2182323004AWCI 2182334004WCI 2182168005WCI 2157481056WCI 2157528007WCI 2154216098WCI 2155712009WCI 21541970010241726501 Frigidaire Refrigerator Drive Bar10AWCI 21823280011WCI 21575520012WCI 21542040013WCI 21803360014WCI 21541990015316538904 Frigidaire Oven Lamp Light16WCI 21576710017WCI 21575480018AHARNESS-WIRING, AUGER MOTOR, (NON-ILLUSTRATED)185304462594 Frigidaire Refrigerator Motor-Auger19WCI 21577100020WCI 21528530123WCI 21575530023ARING-RETAINER (NOT ILLUSTRATED)23BSTUD (NOT ILLUSTRATED)24WCI 21557140025WCI 21542140026215503203 Frigidaire Refrigerator Door Handle Screw27WCI 21574840028WCI 21575510029WCI 21575750130WCI 21575730031WCI 21575740032WCI 21574750232ARING-SNAP (NOT ILLUSTRATED)33WCI 21574820034WCI 21574830035WCI 21575350036WCI 21575670037WCI 21575610037ABLADE-CRUSHER, NO. 4 (NOT ILLUSTRATED)37ABLADE-CRUSHER, NO. 3 (NOT ILLUSTRATED)37CRING-SNAP (NOT ILLUSTRATED)37ABLADE-CRUSHER, NO. 2 (NOT ILLUSTRATED)37ABLADE-CRUSHER, NO. 1 (NOT ILLUSTRATED)37BSHAFT-CRUSHER (NOT ILLUSTRATED)37ABLADE-CRUSHER, NO. 5 (NOT ILLUSTRATED)