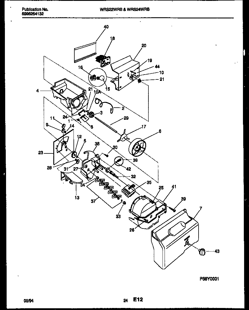
WRS24WRBW0 13 – ICE DISPENSERadmin2025-04-26T08:39:50+00:00WRS24WRBW0 13 – ICE DISPENSER ProductsPositionProduct37DSPACER, (2) (NOT ILLUSTRATED)37DSPACER, (4) (NOT ILLUSTRATED)38WCI 21823260039WCI 21575700040WCI 21536300041WCI 21823240042WCI 21575600043WCI 21575500243ASPRING-KNOB (NOT ILLUSTRATED)44WCI 215285200