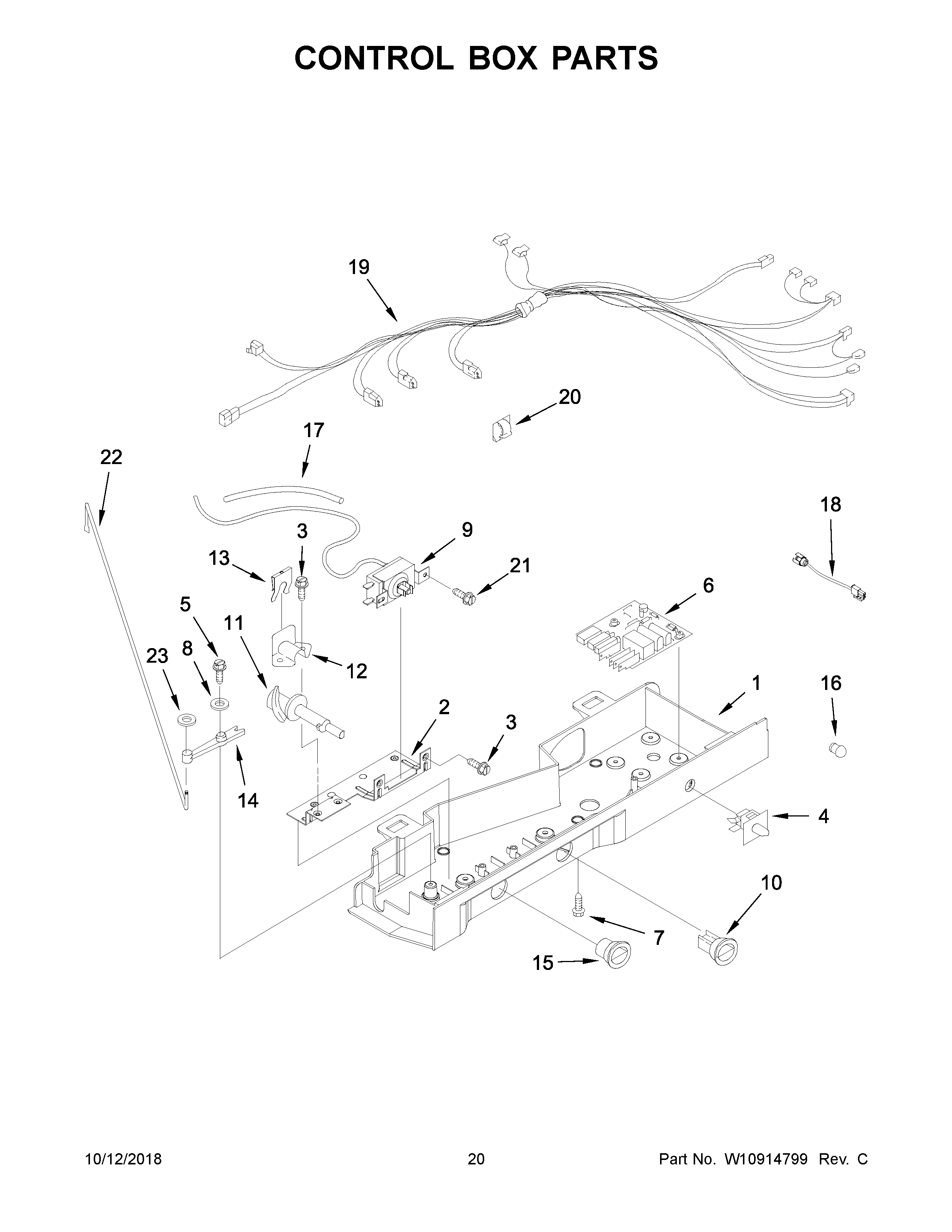
WRS335FDDW01 11 – CONTROL BOX PARTSadmin2025-04-26T11:07:08+00:00WRS335FDDW01 11 – CONTROL BOX PARTS ProductsPositionProduct1W10553058 Whirlpool Refrigerator Control Box22311611 Whirlpool Refrigerator Bracket3WP3196557 Whirlpool Screw4WP2149705 Whirlpool Refrigerator Door Switch5627068 Whirlpool Refrigerator Screw6WPW10366605-includeCORE Whirlpool WPW10366605 Refrigerator Electronic Control Board + Core7489392 Whirlpool Refrigerator Screw8489203 Whirlpool Refrigerator Washer9W10704148 Whirlpool Refrigerator Thermostat10W10723843 Whirlpool Refrigerator Thermostat Knob11WP2182195 Whirlpool Refrigerator Cam12W10891600 Whirlpool Refrigerator Bearing13WP2196062 Whirlpool Refrigerator Clip14ARM, PIVOT15KNOB, CONTROL16COVER, LIGHT LENS17WP2196003 Whirlpool Refrigerator Bar Riser18W10853646 Whirlpool Indicator Light19W10417924 Whirlpool Refrigerator Wire Harness20WP1115374 Whirlpool Refrigerator Clip21WP965173 Whirlpool Dishwasher Screw22W10804348 Whirlpool Refrigerator Rod23FASTENER, PUSH-ON