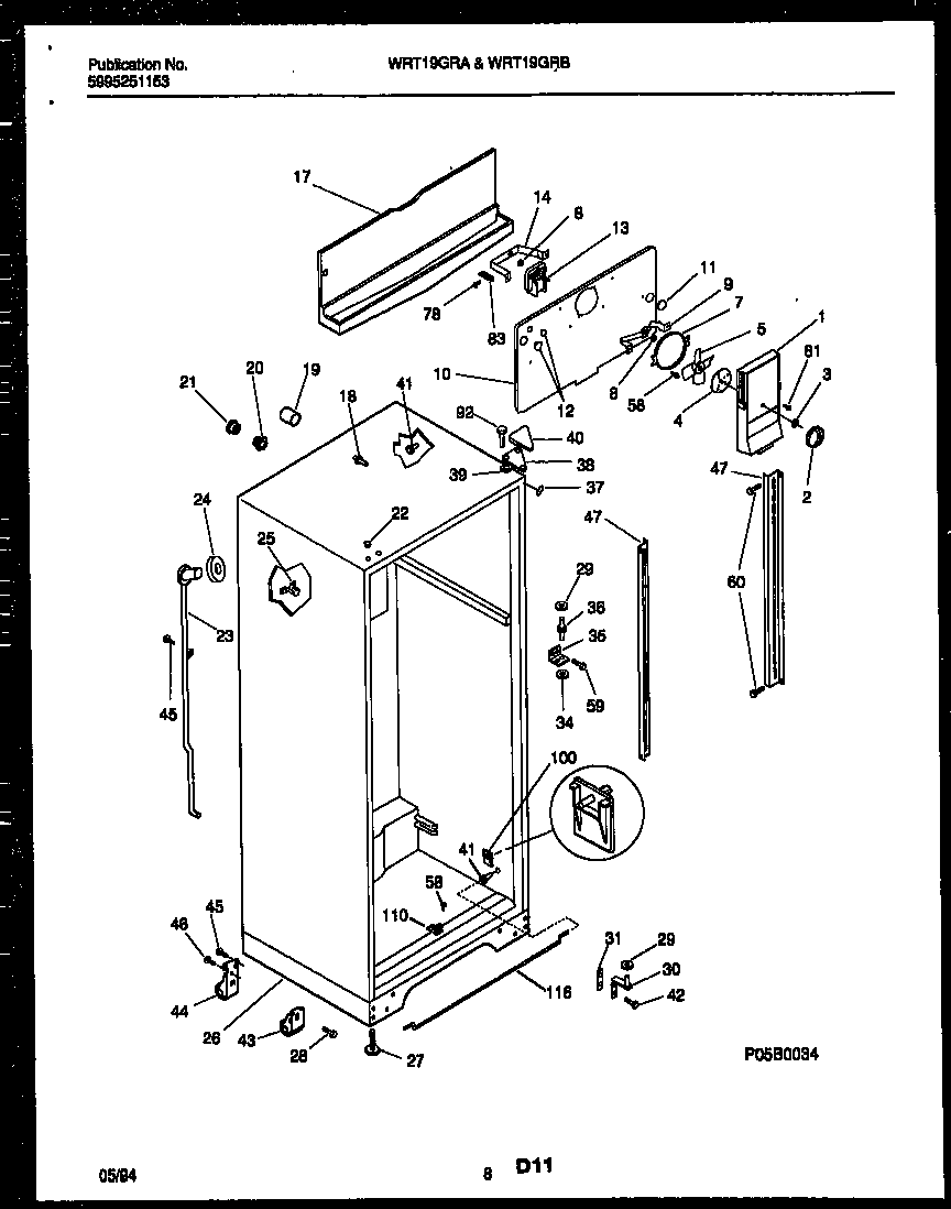
WRT19GRBD0 05 – CABINET PARTSadmin2025-04-26T08:41:42+00:00WRT19GRBD0 05 – CABINET PARTS ProductsPositionProduct*95765PLUG, BUTTON, CABINET LINER (NI)455304455651 Frigidaire Refrigerator Screw46BOLT-ROLLER MTG, HEX WASHER HEAD, 1/4-28 X 1/2, (2)47WCI 21578900059WCI 5308012258605304455852 Frigidaire Refrigerator Screw815304455650 Frigidaire Refrigerator Screw83WCI 530800010792241710601 Frigidaire Refrigerator Screw100SUPPORT-PAN COVER110WCI 215363500116WCI 215426702