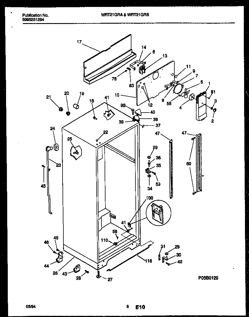
WRT21GRAW0 04 – CABINET

WRT21GRAW0 04 – CABINET