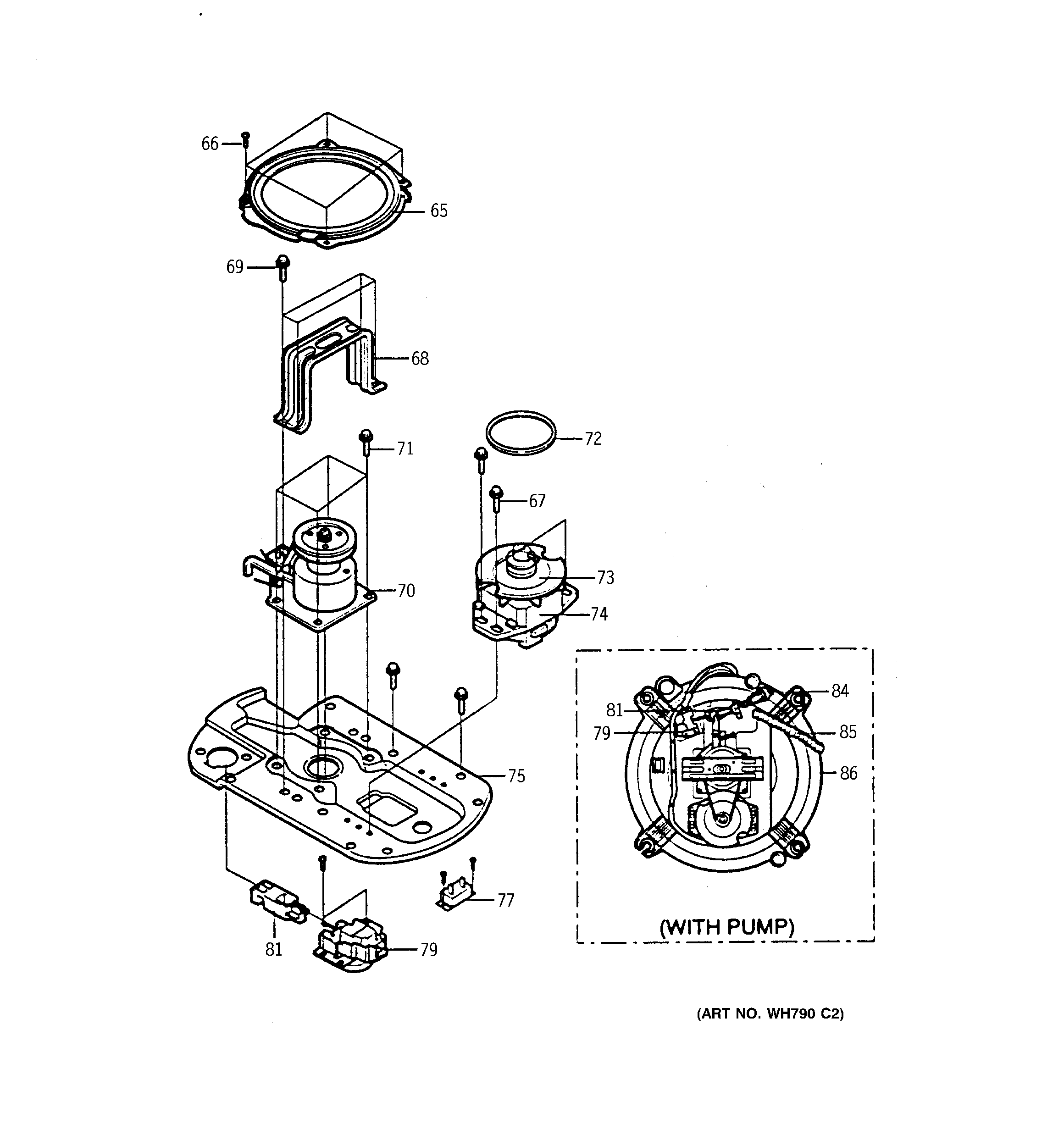
WSLP1100H0WW DRIVE ASSEMBLYadmin2025-04-26T10:39:10+00:00WSLP1100H0WW DRIVE ASSEMBLY ProductsPositionProduct65GEN WH44X1004966WH02X10081 GE Tapping Screw67ASSY SCREW68GEN WH17X1000669GEN WH02X1008370GEN WH38X1000771GEN WH02X1008472BELT V73GEN WH07X1000374GEN WH20X1001175GEN WH17X1000777GEN WH12X1010579GEN WH05X1000481GEN WH01X1008284GEN WH01X1008485GEN WH01X1008586GEN WH45X10036