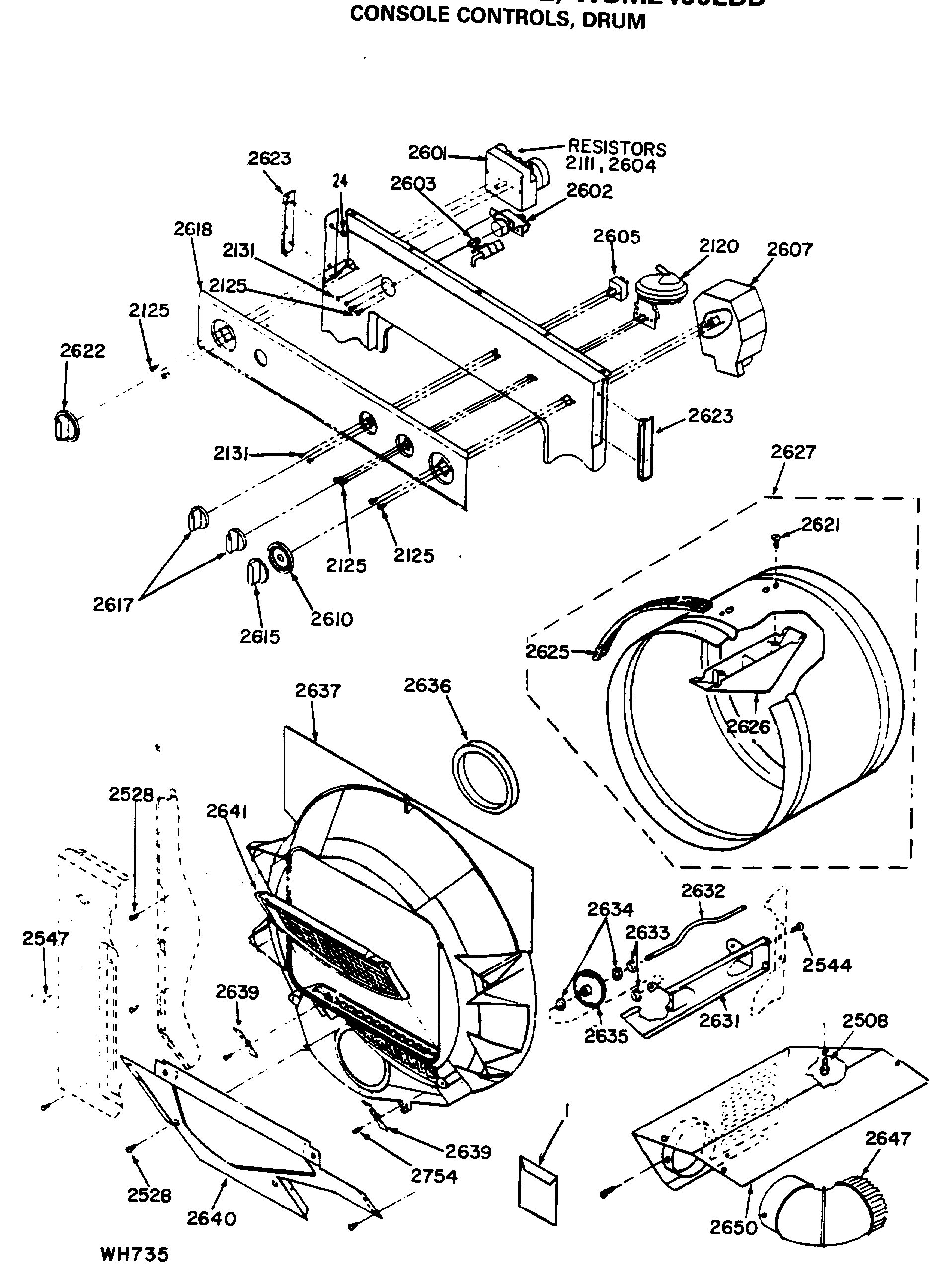
WSM2400LBB CONSOLE CONTROLS, DRUM