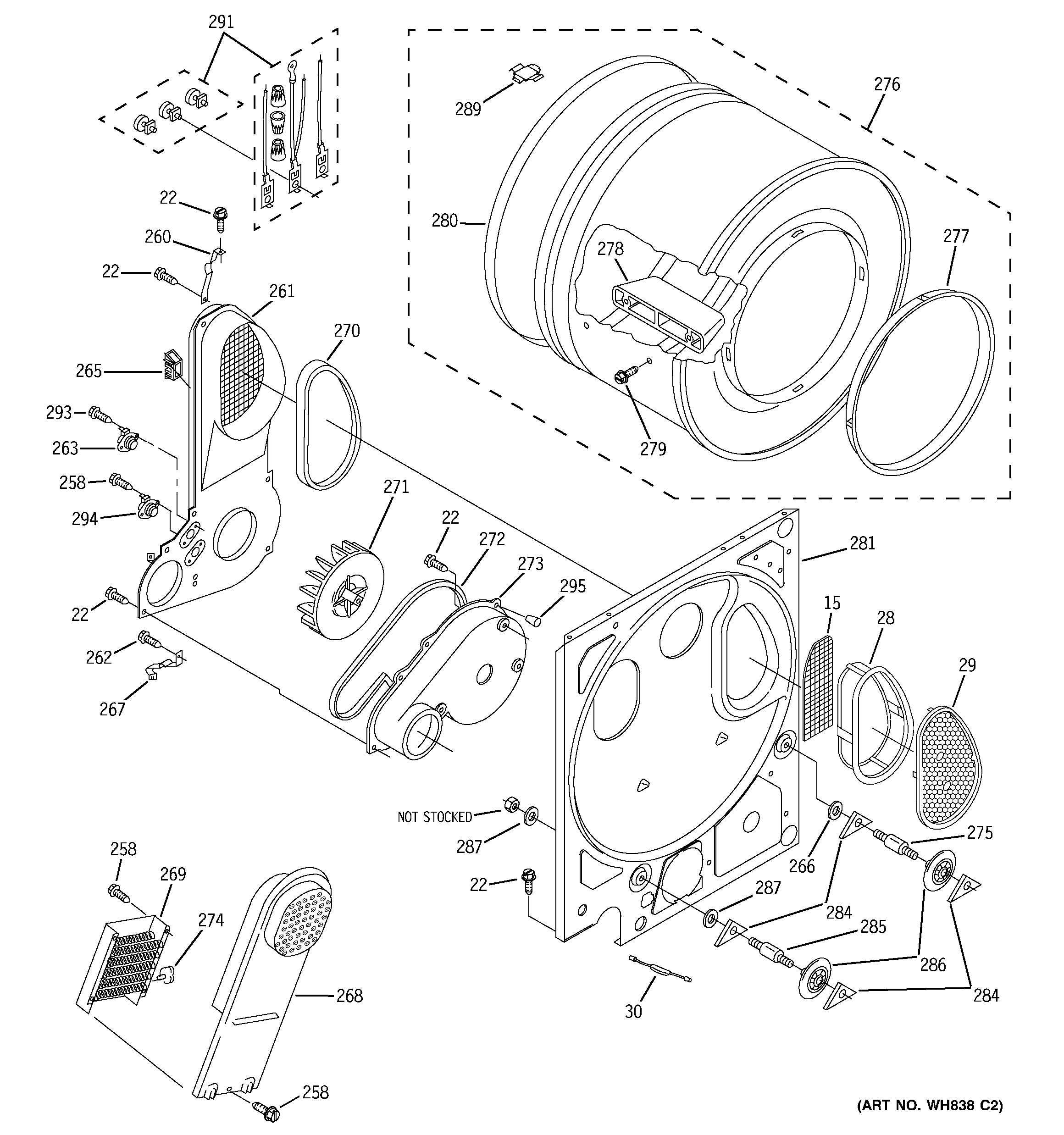
WSM2420D2CC DRYER BULKHEAD PARTSadmin2025-04-26T10:38:14+00:00WSM2420D2CC DRYER BULKHEAD PARTS ProductsPositionProduct15GEN WE18X1001222GEN WH02X1013028WE18X25155 GE Lint Screen Assembly30GEN WE04X10093258SCREW 10-16X3/8260GEN WE01X1217261GEN WE14X10071262GEN WH01X10186263WE4X856 GE Thermostat265GEN WE04X10091266GEN WE02X0390267GEN WE01X1239268GEN WE11X0097269GEN WE11X10004270GEN WE09X0112271GEN WE16X0029272SEAL FAN SCROLL273GEN WE14X0225274GEN WE04X10053275GEN WE03X0085276GEN WE21X0072277GEN WE03X0080278GEN WE21X0073279GEN WE02X0391280GEN WE09X0114281GEN WE20X0790284GEN WE02X0392285GEN WE03X0086286WE3X82 GE Roller Support Assembly287GEN WE02X0393289GEN WH01X10172291TERMINAL & SCREW KIT293SCREW 8-18 X 1/2294GEN WE04X10133295GEN WE01X1219