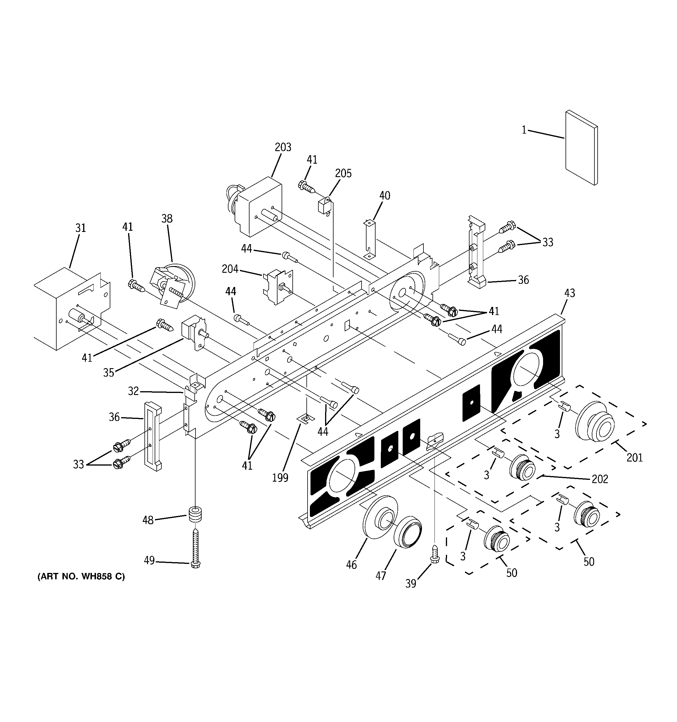
WSM2480D2WW WASHER/DRYER CONTROL PANELadmin2025-04-26T10:42:02+00:00WSM2480D2WW WASHER/DRYER CONTROL PANEL ProductsPositionProduct1GEN 49-99041GEN 31-27303GEN WH01X1029731TIMER32BRACKET CONTROL.33GEN WR01X1013635GEN WH12X1009836END CAP38GEN WH12X095139GEN WH02X117840GEN WH01X269341SCREW 8-18 X 5/1643GEN WH42X231444GEN WH01X268546GEN WH11X1004547GEN WH01X1029048SPRING, CONSOLE LOCK49GEN WH02X1006750GEN WH01X10291199GEN WH01X2686201GEN WE01X10219202GEN WH01X10292203WE04X10051 GE Dryer Timer204SWITCH, START205GEN WH12X0954