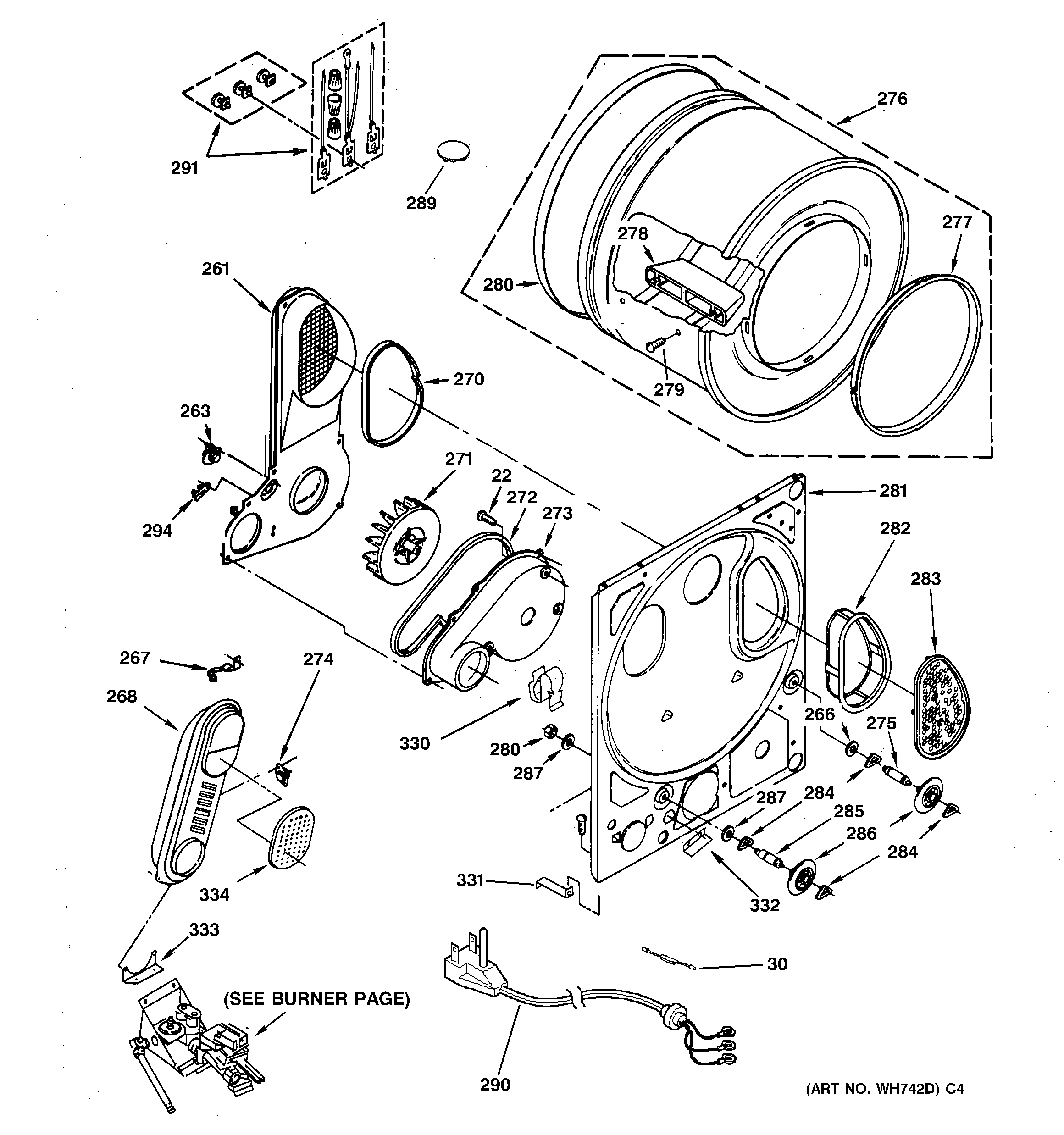
WSM2480TBAAA DRYER BULKHEAD PARTSadmin2025-04-26T10:42:12+00:00WSM2480TBAAA DRYER BULKHEAD PARTS ProductsPositionProduct22GEN WR01X1013630GEN WE04X10093261GEN WE14X0227263WE4X856 GE Thermostat266GEN WE02X0390267GEN WE01X1239268GEN WE11X0100270GEN WE09X0112271GEN WE16X0029272GEN WE09X0116273GEN WE14X0225274GEN WE04X10100274GEN WE04X10053275GEN WE03X0085276GEN WE21X0072277GEN WE03X0080278GEN WE21X0073279GEN WH02X10068280GEN WE09X0114281GEN WE20X0790282WE18X25155 GE Lint Screen Assembly284GEN WE02X0392285GEN WE03X0086286WE3X82 GE Roller Support Assembly287GEN WE02X0393289GEN WH01X10074290GEN WE08X10051291TERMINAL & SCREW KIT294GEN WE04X0828330GEN WE01X1226331GEN WE13X0207332GEN WE01X1227333GEN WE13X0206334GEN WE13X0208