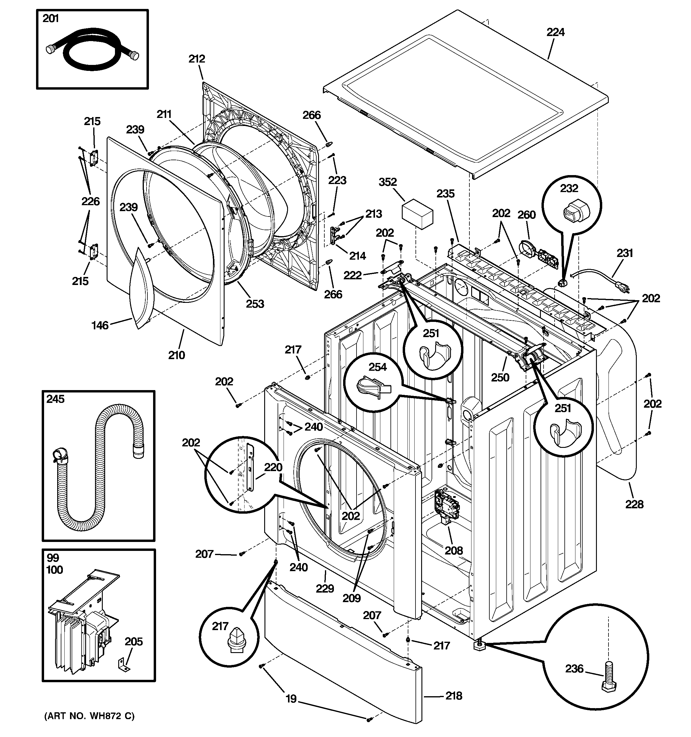
WSSH300G0WW CABINET, DOOR & TOPadmin2025-04-26T10:42:30+00:00WSSH300G0WW CABINET, DOOR & TOP ProductsPositionProduct19SCREW, PHILLIPS, 6-19 X99GEN WH19X10053100WH20X10038 GE Inverter146GEN WH01X10332201WH41X10207 GE Washer Rubber Inlet Hose 2 Pack 4'202SCREW QUAD PH AB8-18X1/2205GEN WH16X10092207GEN WH02X10249208WH10X27534 GE Door Lock Assembly209SCREW-LOCK 10-16X.50210GEN WH46X10156211GEN WH46X10155212GEN WH46X10157213GEN WH02X10010214GEN WH10X10004215GEN WE01X10233217GEN WE02X10072218GEN WE20X10088220GEN WH16X10089220GEN WH16X10090222GEN WH01X10327223GEN WH02X10250224GEN WE04X10137226GEN WH02X10248228GEN WH46X10153229GEN WH46X10152231GEN WH19X10048232GEN WH01X10016235GEN WH16X10087236GEN WH01X10336239GEN WH02X10228240GEN WE02X10071245GEN WH01X10328250GEN WH16X10086251GEN WH01X10337253GEN WH01X10335254GEN WH02X10242260GEN WH01X10329266GEN WH02X10243352DAMPENER VIBRATION FOAM