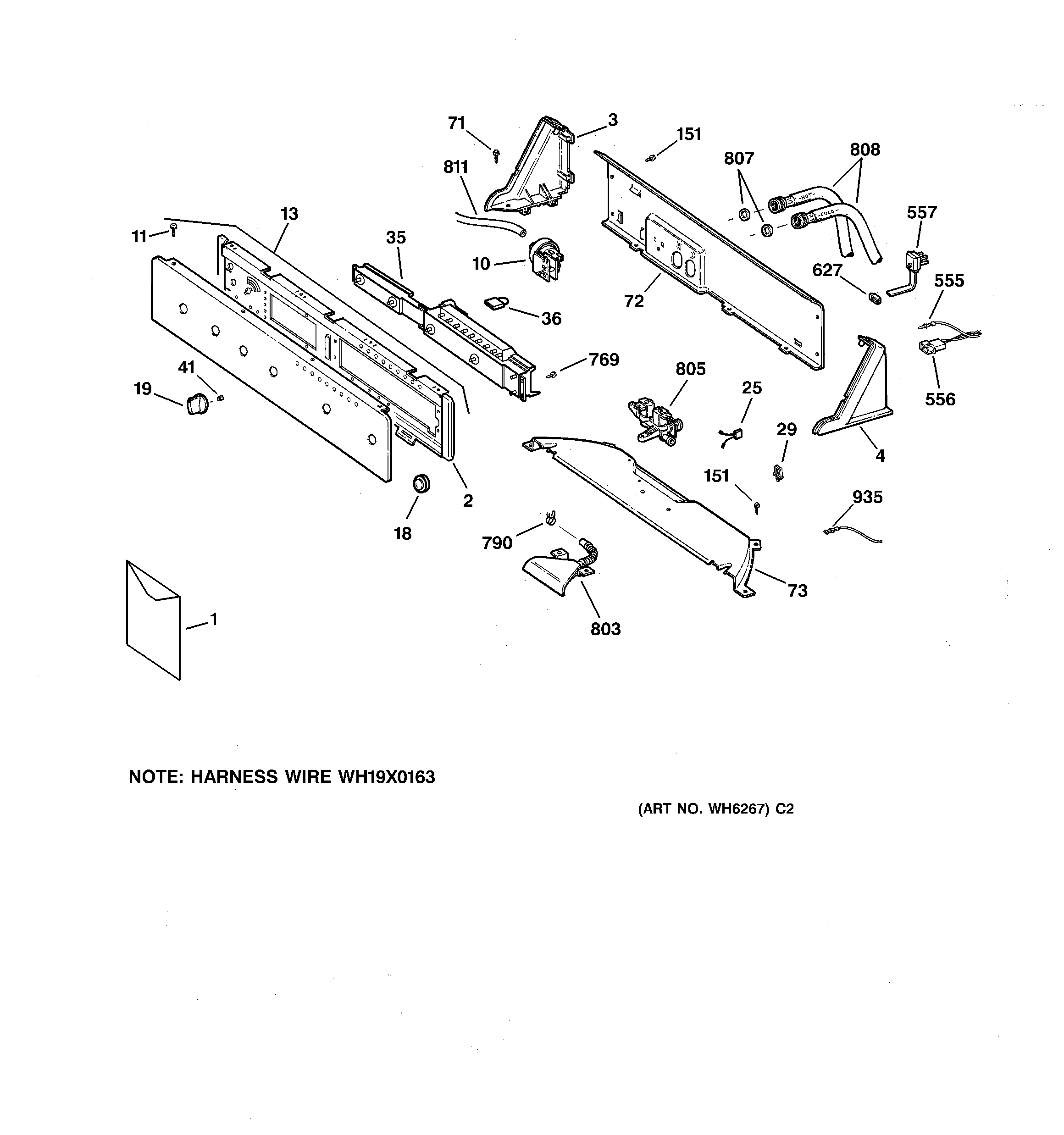
WTSE4210A0WW CONTROLS & BACKSPLASHadmin2025-04-26T10:40:57+00:00WTSE4210A0WW CONTROLS & BACKSPLASH ProductsPositionProduct1MINI MANUAL1INSTRUCTION INSTALL1GEN 49-900302GEN WH46X100483GEN WH42X23974GEN WH42X239810GEN WH12X1010811GEN WH02X120613GEN WH42X1021018WH01X10088 GE Start/stop Switch Button19WH01X10060 GE Washer Dryer Control Knob and Clip Assembly25GEN WH19X1001429GEN WH02X1005435GEN WH12X1009936GEN WH12X1011841GEN WE01X0980?71WH2X1205 GE Screw 8-1872GEN WH46X1003573GEN WH46X10047494WD1X1459 GE Dishwasher Insulation Housing555GEN WB17X5053556GEN WH12X0497557GEN WH19X0311627GEN WH12X10025769WB1X500D GE Oven Screw Package790WH1X2036 GE UNIX Clamp803HOSE & WATER INLET805GEN WH13X10006807WH2X42D GE Washer Pack of 12808WH41X10207 GE Washer Rubber Inlet Hose 2 Pack 4'811WH41X365 GE Washer Water Level Pressure Switch HOSE935GEN WD01X1434