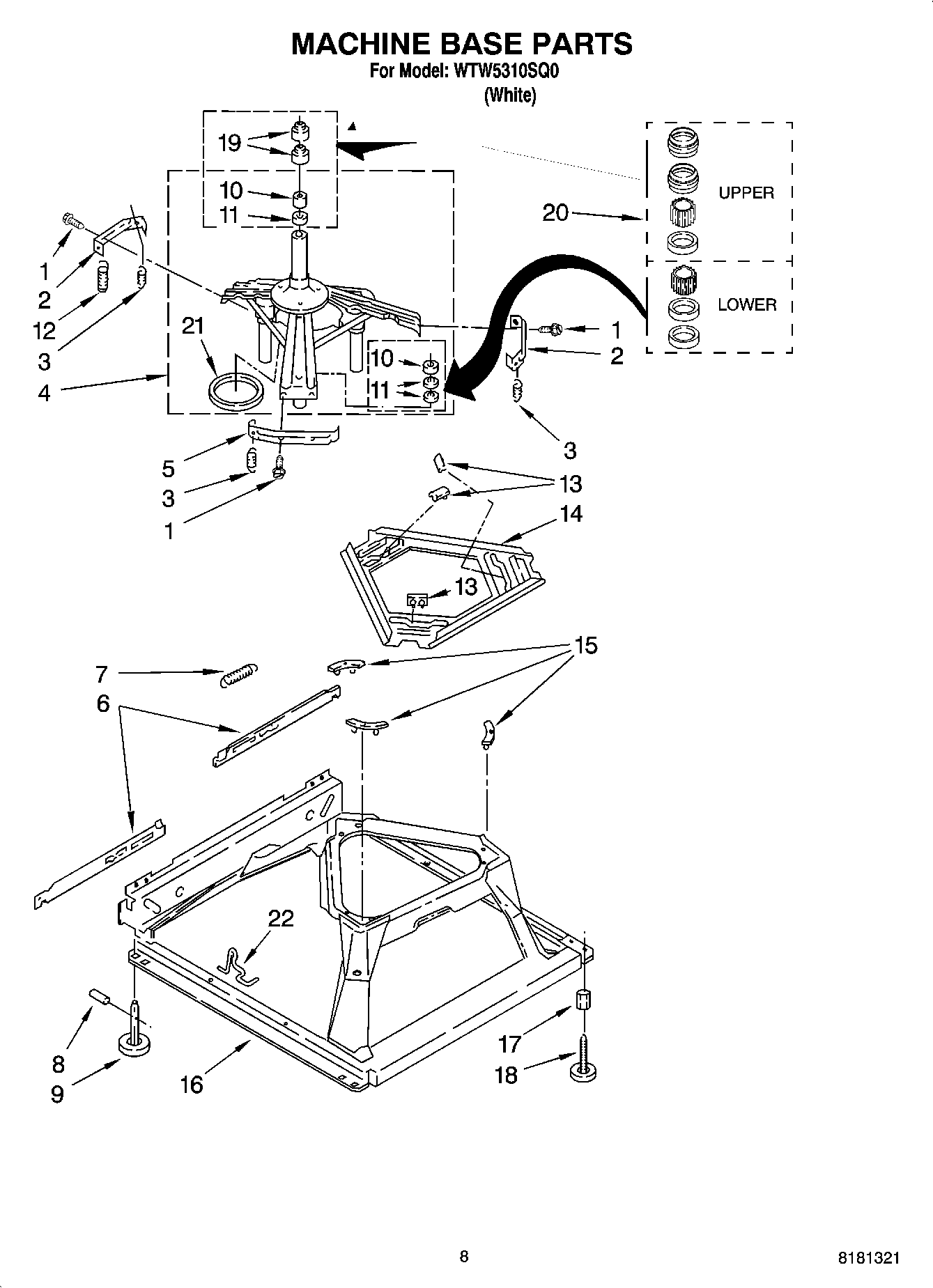
WTW5310SQ0 05 – MACHINE BASE PARTS